UTU POWEL - Valokaarisuojalaite - ARF566D 1L+N C-16A/30mA 10kA Q

Kirjaudu sisään tai luo tili tarkistaaksesi hinnan ja tehdäksesi tilauksen
Tärkeimmät tuotetiedot
Napojen lukumäärä - 2
Nimellisvirta - 16 A
Nimellisjännite - 230 V
Juontava 0-napa - kyllä
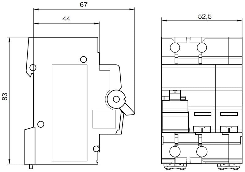
Leveys (moduulipaikkojen määrä) - 3
Pakkaus ja ehdot
1 kpl
Vakiokäyttötuote
EAN-koodi
3250611034698
Sähkönumero
3246605
Toimittajan tuotenumero
ARF566D
Tukkuerä
1
Napojen lukumäärä:
2
Nimellisvirta:
16 A
Nimellisjännite:
230 V
Juontava 0-napa:
kyllä
Leveys (moduulipaikkojen määrä):
3
Virranrajoitusluokka:
3
Ylijänniteluokka:
3
Ympäristön likaantumisaste:
2
Upotussyvyys:
70 mm
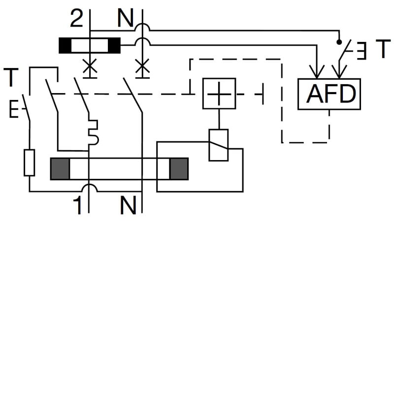
Valokaarivikasuojakatkaisija AFDD + VV-JSK 1L+N 10kA C-16A 30mA tyyppi A3M, RL Valokaarivikasuoja DIN EN 62606 (VDE 0665-10) mukaan, yhdistettynä vikavirtajohdonsuojaan 1L+N DIN EN 61009-1 (VDE 0664-20) , DIN EN 61009-2-1 (VDE 0664-21) mukaan. Tyypin A (30 mA) vikavirtasuojapiirillä, ruuviliittimin. Laite on varustettu Testi-painikkeella valokaarivikayksikölle valokaarivikalaukaisun näytöllä ja vikavirtalaukaisun näytöllä. Yksittäinen laite on helppo lisätä tai vaihtaa yhdistysvirtakiskosta. Voidaan varustaa jälkiasennettavilla lisä-/apumoduuleilla. Ryhmämerkintämahdollisuus laitteen merkintäikkunan avulla.




