UTU POWEL - Valokaarisuojalaite - ARF913D 1L+N B-13A/30mA 6kA QC

Kirjaudu sisään tai luo tili tarkistaaksesi hinnan ja tehdäksesi tilauksen
Tärkeimmät tuotetiedot
Napojen lukumäärä - 2
Nimellisvirta - 13 A
Nimellisjännite - 230 V
Juontava 0-napa - kyllä
Leveys (moduulipaikkojen määrä) - 3
Pakkaus ja ehdot
1 kpl
Vakiokäyttötuote
EAN-koodi
3250611034759
Sähkönumero
3246585
Toimittajan tuotenumero
ARF913D
Tukkuerä
1
Napojen lukumäärä:
2
Nimellisvirta:
13 A
Nimellisjännite:
230 V
Juontava 0-napa:
kyllä
Leveys (moduulipaikkojen määrä):
3
Virranrajoitusluokka:
3
Ylijänniteluokka:
3
Ympäristön likaantumisaste:
2
Upotussyvyys:
70 mm
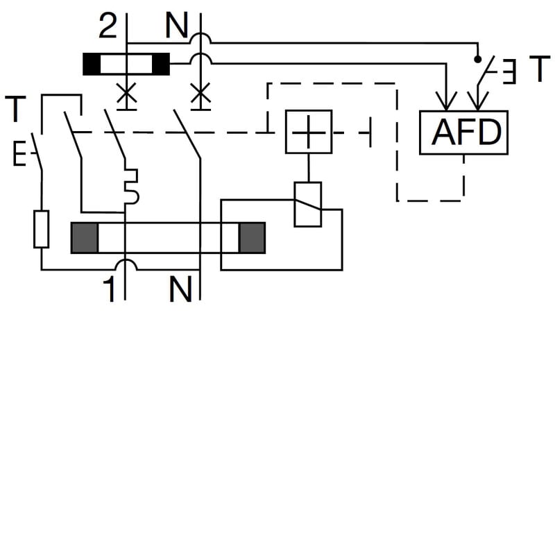
Valokaarivikasuojakatkaisija AFDD + VV-JSK 1L+N 6kA B-13A 30mA tyyppi A3M, QC Valokaarivikasuoja DIN EN 62606 (VDE 0665-10) mukaan, yhdistettynä vikavirtajohdonsuojaan 1L+N DIN EN 61009-1 (VDE 0664-20), DIN EN 61009-2-1 (VDE 0664-21) mukaan. Tyypin A (30 mA) vikavirtasuojapiirillä, QuickConnect-jousiliittimin DIN EN 60898-1 (VDE 0641-11) mukaan. Laite on varustettu Testi-painikkeella valokaarivikayksikölle valokaarivikalaukaisun näytöllä ja vikavirtalaukaisun näytöllä. Yksittäinen laite on helppo lisätä tai vaihtaa yhdistysvirtakiskosta. Voidaan varustaa jälkiasennettavilla lisä-/apumoduuleilla. Ryhmämerkintämahdollisuus laitteen merkintäikkunan avulla.




