ABB - S300P Johdonsuojakatkaisia - 1-napainen Z-käyrä 6A, 25kA

Kirjaudu sisään tai luo tili tarkistaaksesi hinnan ja tehdäksesi tilauksen
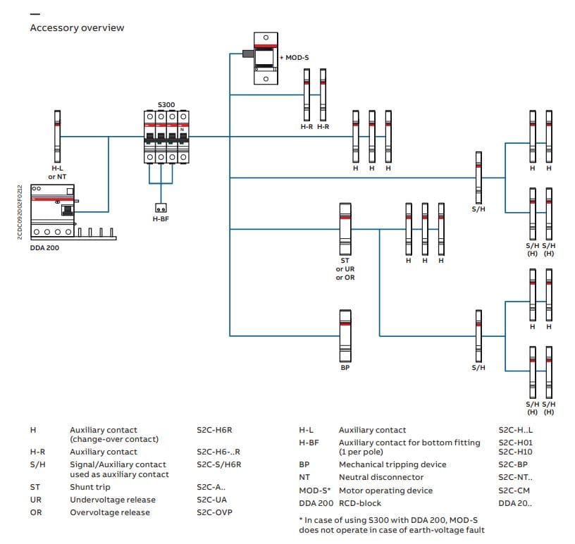
Vaihtoehdot
Napojen määrä yhteensä:
1Nimellisvirta:
6 ATärkeimmät tuotetiedot
Napojen määrä yhteensä - 1
Nimellisvirta - 6 A
Laukaisukäyrä - Z
Suojattujen napojen määrä - 1
Mitoitusoikosulkulaukaisukyky Icn EN 60898, 230 V - 100 kA
Pakkaus ja ehdot
1 kpl
Vakiokäyttötuote
Tuotteen hiilijalanjälki
14 kg CO₂ekv.
EAN-koodi
4016779080217
Sähkönumero
3212484
Toimittajan tuotenumero
S301P-Z6
Tukkuerä
120
Napojen määrä yhteensä:
1
Nimellisvirta:
6 A
Laukaisukäyrä:
Z
Suojattujen napojen määrä:
1
Mitoitusoikosulkulaukaisukyky Icn EN 60898, 230 V:
100 kA
Nimellisjännite:
240 V
Juontava 0-napa:
ei
Jännitetyyppi:
AC/DC
Leveys (moduulipaikkojen määrä):
1
Upotussyvyys:
69 mm
Mitoitettu eristysjännite Ui:
500 V
Syöksyjännitekestoisuus Uimp:
6 kV
Taajuus:
50...60 Hz
Lisäyksikkömahdollisuus:
kyllä
Uppoasennus:
ei
Ylijänniteluokka:
4
Liitettävä johdin, monisäikeinen:
0.75...25 mm²
Kotelointiluokka (IP):
IP20
Ympäristön likaantumisaste:
3
Liitettävä johdin, lanka:
0.75...35 mm²
Ympäristön lämpötila käytön aikana:
-40...70 °C
Rajähdyssuojattu:
ei
Tehohäviö:
2.5 W
Hiilijalanjälki:
Toimittajan ilmoitus







