ABB - S300P Johdonsuojakatkaisia - 2-napainen 1+N D-käyrä 8A, 25kA

Kirjaudu sisään tai luo tili tarkistaaksesi hinnan ja tehdäksesi tilauksen
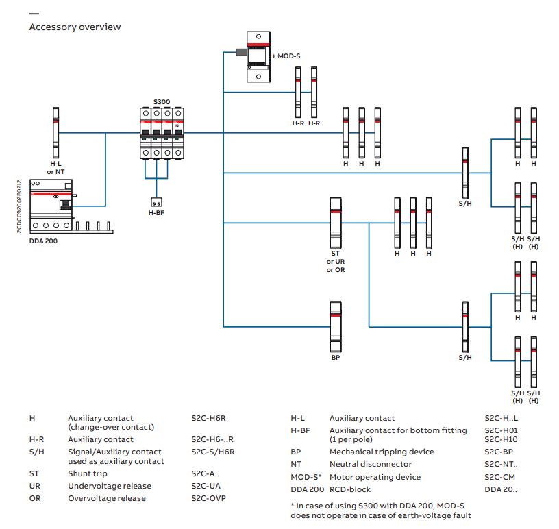
Vaihtoehdot
Napojen määrä yhteensä:
2Nimellisvirta:
8 ATärkeimmät tuotetiedot
Napojen määrä yhteensä - 2
Nimellisvirta - 8 A
Laukaisukäyrä - D
Suojattujen napojen määrä - 1
Mitoitusoikosulkulaukaisukyky Icn EN 60898, 230 V - 25 kA
Pakkaus ja ehdot
1 kpl
Vakiokäyttötuote
Tuotesarja
EAN-koodi
4016779085717
Sähkönumero
3216198
Toimittajan tuotenumero
S301P-D8NA
Tukkuerä
1
Napojen määrä yhteensä:
2
Nimellisvirta:
8 A
Laukaisukäyrä:
D
Suojattujen napojen määrä:
1
Mitoitusoikosulkulaukaisukyky Icn EN 60898, 230 V:
25 kA
Nimellisjännite:
240 V
Juontava 0-napa:
kyllä
Jännitetyyppi:
AC/DC
Leveys (moduulipaikkojen määrä):
2
Upotussyvyys:
69 mm
Mitoitettu eristysjännite Ui:
500 V
Mitoitusoikosulkulaukaisukyky Icu IEC 60947-2, 230 V:
25 kA
Syöksyjännitekestoisuus Uimp:
6 kV
Taajuus:
50...60 Hz
Lisäyksikkömahdollisuus:
kyllä
Uppoasennus:
ei
Ylijänniteluokka:
4
Liitettävä johdin, monisäikeinen:
0.75...25 mm²
Kotelointiluokka (IP):
IP20
Ympäristön likaantumisaste:
3
Liitettävä johdin, lanka:
0.75...35 mm²
Ympäristön lämpötila käytön aikana:
-40...70 °C
Rajähdyssuojattu:
ei
Tehohäviö:
2.8 W







