ABB - S300P Johdonsuojakatkaisia - 2-napainen B-käyrä 13A, 25kA

Kirjaudu sisään tai luo tili tarkistaaksesi hinnan ja tehdäksesi tilauksen
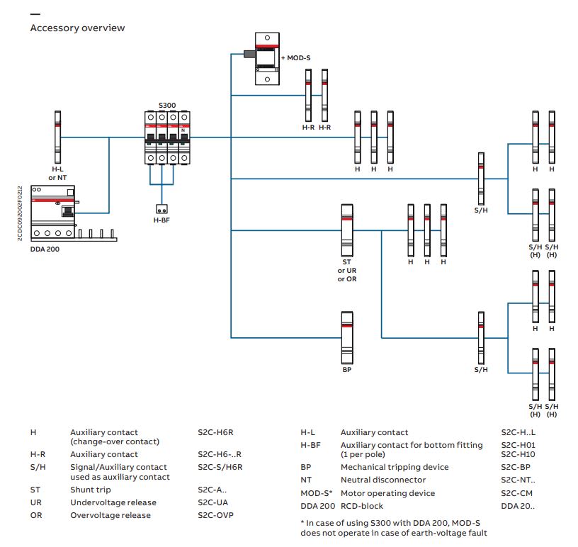
Vaihtoehdot
Napojen määrä yhteensä:
2Nimellisvirta:
13 ATärkeimmät tuotetiedot
Napojen määrä yhteensä - 2
Nimellisvirta - 13 A
Laukaisukäyrä - B
Suojattujen napojen määrä - 2
Nimellisjännite - 415 V
Pakkaus ja ehdot
1 kpl
Vakiokäyttötuote
Tuotteen hiilijalanjälki
22 kg CO₂ekv.
EAN-koodi
4016779078894
Sähkönumero
3212165
Toimittajan tuotenumero
S302P-B13
Tukkuerä
1
Napojen määrä yhteensä:
2
Nimellisvirta:
13 A
Laukaisukäyrä:
B
Suojattujen napojen määrä:
2
Nimellisjännite:
415 V
Juontava 0-napa:
ei
Jännitetyyppi:
AC/DC
Leveys (moduulipaikkojen määrä):
2
Upotussyvyys:
69 mm
Mitoitettu eristysjännite Ui:
500 V
Syöksyjännitekestoisuus Uimp:
6 kV
Taajuus:
50...60 Hz
Lisäyksikkömahdollisuus:
kyllä
Uppoasennus:
ei
Ylijänniteluokka:
4
Liitettävä johdin, monisäikeinen:
0.75...25 mm²
Kotelointiluokka (IP):
IP20
Ympäristön likaantumisaste:
3
Liitettävä johdin, lanka:
0.75...35 mm²
Ympäristön lämpötila käytön aikana:
-40...70 °C
Rajähdyssuojattu:
ei
Tehohäviö:
3.2 W
Hiilijalanjälki:
Toimittajan ilmoitus

ABB -tuote
Tutustu ABB-sarjaan


