ABB - S300P Johdonsuojakatkaisia - 3-napainen K-käyrä 6A, 25kA

Kirjaudu sisään tai luo tili tarkistaaksesi hinnan ja tehdäksesi tilauksen
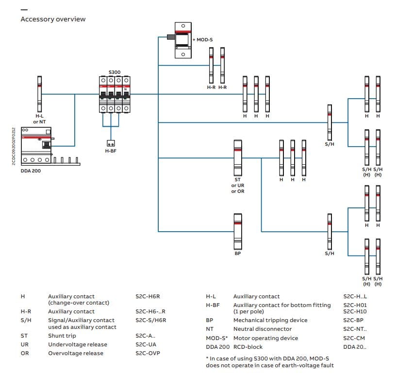
Vaihtoehdot
Tärkeimmät tuotetiedot
Napojen määrä yhteensä - 3
Nimellisvirta - 6 A
Laukaisukäyrä - K
Suojattujen napojen määrä - 3
Nimellisjännite - 415 V
Pakkaus ja ehdot
1 kpl
Vakiokäyttötuote
Tuotteen hiilijalanjälki
29 kg CO₂ekv.
EAN-koodi
4016779077835
Sähkönumero
3212468
Toimittajan tuotenumero
S303P-K6
Tukkuerä
1
Napojen määrä yhteensä:
3
Nimellisvirta:
6 A
Laukaisukäyrä:
K
Suojattujen napojen määrä:
3
Nimellisjännite:
415 V
Juontava 0-napa:
ei
Jännitetyyppi:
AC/DC
Leveys (moduulipaikkojen määrä):
3
Upotussyvyys:
69 mm
Mitoitettu eristysjännite Ui:
500 V
Syöksyjännitekestoisuus Uimp:
6 kV
Taajuus:
50...60 Hz
Lisäyksikkömahdollisuus:
kyllä
Uppoasennus:
ei
Ylijänniteluokka:
4
Liitettävä johdin, monisäikeinen:
0.75...25 mm²
Kotelointiluokka (IP):
IP20
Ympäristön likaantumisaste:
3
Liitettävä johdin, lanka:
0.75...35 mm²
Ympäristön lämpötila käytön aikana:
-40...70 °C
Rajähdyssuojattu:
ei
Tehohäviö:
4.8 W
Hiilijalanjälki:
Toimittajan ilmoitus







