ABB - S300P Johdonsuojakatkaisia - 4-napainen 3+N Z-käyrä 1.6A,25kA

Kirjaudu sisään tai luo tili tarkistaaksesi hinnan ja tehdäksesi tilauksen
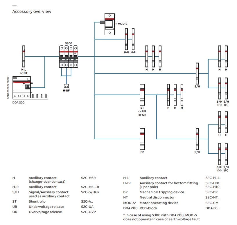
Vaihtoehdot
Nimellisvirta:
1.6 ATärkeimmät tuotetiedot
Napojen määrä yhteensä - 4
Nimellisvirta - 1.6 A
Laukaisukäyrä - Z
Suojattujen napojen määrä - 3
Nimellisjännite - 415 V
Pakkaus ja ehdot
1 kpl
Vakiokäyttötuote
Tuotteen hiilijalanjälki
55 kg CO₂ekv.
EAN-koodi
4016779077132
Sähkönumero
3217560
Toimittajan tuotenumero
S303P-Z1.6NA
Tukkuerä
1
Napojen määrä yhteensä:
4
Nimellisvirta:
1.6 A
Laukaisukäyrä:
Z
Suojattujen napojen määrä:
3
Nimellisjännite:
415 V
Juontava 0-napa:
kyllä
Jännitetyyppi:
AC/DC
Leveys (moduulipaikkojen määrä):
4
Upotussyvyys:
69 mm
Mitoitettu eristysjännite Ui:
500 V
Syöksyjännitekestoisuus Uimp:
6 kV
Taajuus:
50...60 Hz
Lisäyksikkömahdollisuus:
kyllä
Uppoasennus:
ei
Ylijänniteluokka:
4
Liitettävä johdin, monisäikeinen:
0.75...25 mm²
Kotelointiluokka (IP):
IP20
Ympäristön likaantumisaste:
3
Liitettävä johdin, lanka:
0.75...35 mm²
Ympäristön lämpötila käytön aikana:
-40...70 °C
Rajähdyssuojattu:
ei
Tehohäviö:
9.6 W
Hiilijalanjälki:
Toimittajan ilmoitus







