ABB - Turvakytkin 315kW 3p teräs - OT630KBUC3TZ

Kirjaudu sisään tai luo tili tarkistaaksesi hinnan ja tehdäksesi tilauksen
Tärkeimmät tuotetiedot
Napojen lukumäärä - 3
Mitoitettu jatkuva virta Iu - 570 A
Laitteen rakenne - koko laite kotelossa
Ohjauselementin väri - musta
Kytkinten määrä - 1
Pakkaus ja ehdot
1 kpl
Vakiokäyttötuote
Tuotteen hiilijalanjälki
780 kg CO₂-eq
Soneparin arvio
Soneparin arvio suuruusluokasta epävarmuuskertoimella korotettuna. Arvion tarkkuus on ± 527 kg CO₂-eq.
Soneparin vastuuvapauslauseke
Ennen kuin viittaat tuotteen hiilijalanjälkeen, lue seuraavat kohdat huolellisesti napsauttamalla näitä linkkejä:
Vastuuvapauslauseke & Metodologia
EAN-koodi
6417019116495
Sähkönumero
3642832
Toimittajan tuotenumero
OT630KBUC3TZ
Tukkuerä
1
Napojen lukumäärä:
3
Mitoitettu jatkuva virta Iu:
570 A
Laitteen rakenne:
koko laite kotelossa
Ohjauselementin väri:
musta
Kytkinten määrä:
1
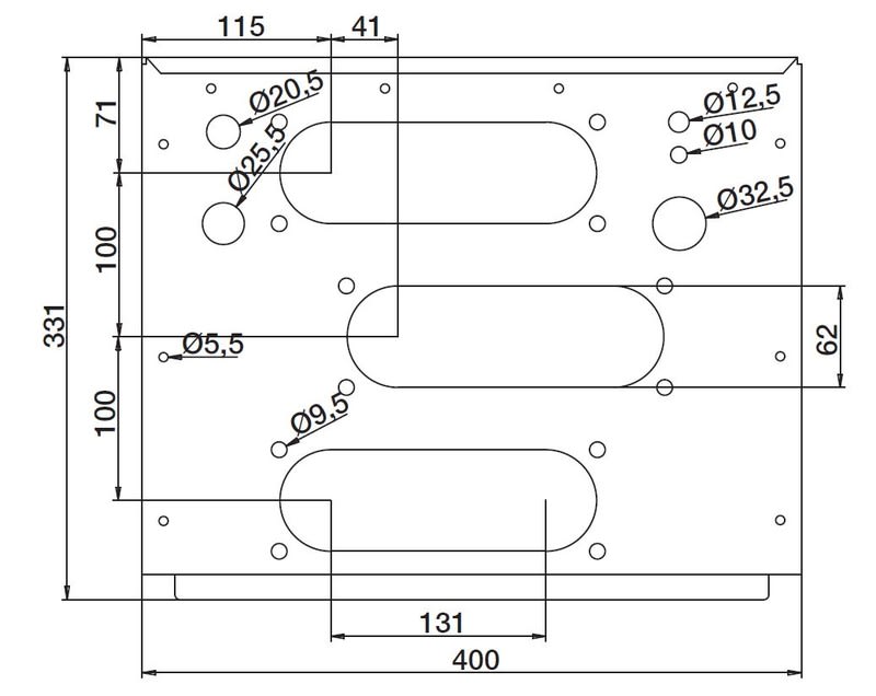
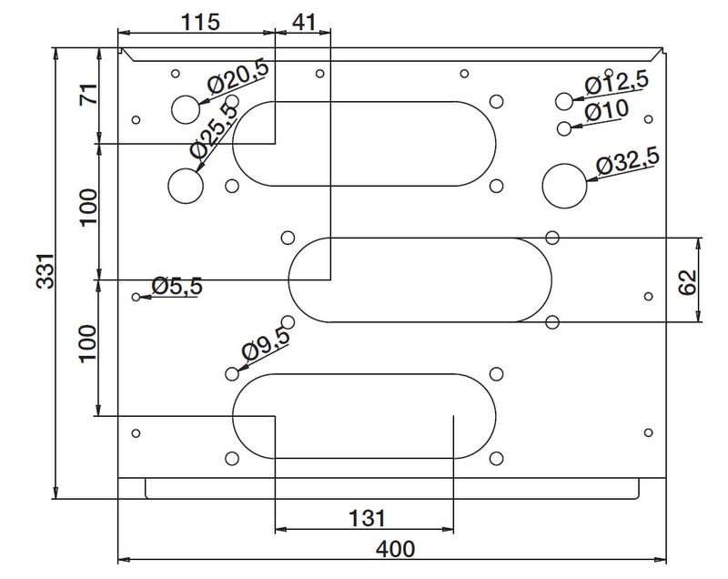
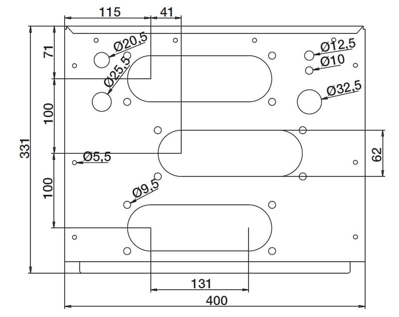
Leveys:
400 mm
Korkeus:
1000 mm
Syvyys:
330 mm
Käyttö pääkytkimenä:
kyllä
Käyttö huoltokytkimenä:
kyllä
Toiminta kuin hätä-seis -asennuksella:
ei
Ohjauselementin tyyppi:
muu
Käyttö turvakytkimenä:
kyllä
Käyttö suunnanvaihtokytkimenä:
ei
Mitoituskäyttöjännite:
750...750 V
Lisäkytkimien lukumäärä (sulkeutuva kosketin):
2
Katkaisuteho 400 V:
315 kW
Maksimi nimellinen käyttöjännite Ue AC:
1000 V
Lukittavissa:
kyllä
Sopii etulevyasennukseen nelikulmaiselle reiälle:
ei
Sopii etulevykiinnityskeskiöksi:
ei
Sopii keskusasennukseen:
kyllä
Lisäkytkimien lukumäärä (avautuva kosketin):
1
Mitoitettu jatkuva virta AC-23, 400 V:
570 A
Kotelointiluokka (IP), edestä:
IP65
Moottoriohjain valittavissa:
ei
Alijännitelaukaisija valittavissa:
ei
Terminen mitoituskestovirta Icw:
20 kA
Apu- ja vaihtokoskettimien lukumäärä:
0
Mitoitusteho AC-23, 400 V:
315 kW
Kotelointiluokka (NEMA):
muu
Sisäänrakennettu moottoriohjain:
ei
Lattia asennus:
ei
Kotelon/suojuksen materiaali:
teräs
Hiilijalanjälki:
Sonepar-arvio
Koteloitujen turvakytkinten avulla voidaan luoda turvallinen työskentely-ympäristö vähentämään sähköisten ja mekaanisten onnettomuuksien riskiä. Tarjontamme kattaa sivulta ja edestä ohjattavia turvakytkimiä 16 ampeerista 1 200 ampeeriin (IEC), tehoalueella 7,5–1 200 kW, 690 V (AC-23A) asti. Kotelot on valmistettu muovista, teräksestä, haponkestävästä ruostumattomasta teräksestä ja alumiinista.



