BENEDIKT & JÄGER - Lämpörele U12 - U12/16 0.27-0.4A K3-10-K3-22

Kirjaudu sisään tai luo tili tarkistaaksesi hinnan ja tehdäksesi tilauksen
Tärkeimmät tuotetiedot
Säädettävä virta-alue - 0.27...0.4 A
Käynnistysluokka - muu
Asennustapa - suora kiinnitys
Automaattinen nollaus - ei
Päävirtapiirin liitäntätapa - ruuviliitäntä
Pakkaus ja ehdot
1 kpl
Vakiokäyttötuote
Tuotteen hiilijalanjälki
18 kg CO₂-eq
Soneparin arvio
Soneparin arvio CO₂-e:n suuruusluokasta tuotetasolla + elinkaarilisäys. Arvion tarkkuus on ± 23 kg CO₂-eq.
Soneparin vastuuvapauslauseke
Ennen kuin viittaat tuotteen hiilijalanjälkeen, lue seuraavat kohdat huolellisesti napsauttamalla näitä linkkejä:
Vastuuvapauslauseke & Metodologia
Tuotesarja
EAN-koodi
9005738960641
Sähkönumero
3751299
Toimittajan tuotenumero
U12/16E0,4K3
Tukkuerä
10
Säädettävä virta-alue:
0.27...0.4 A
Käynnistysluokka:
muu
Asennustapa:
suora kiinnitys
Automaattinen nollaus:
ei
Päävirtapiirin liitäntätapa:
ruuviliitäntä
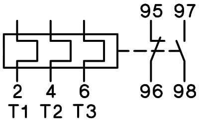
Maksimi nimellinen käyttöjännite Ue:
690 V
Lisäkytkimien lukumäärä (sulkeutuva kosketin):
1
Lisäkytkimien lukumäärä (avautuva kosketin):
1
Nollaus painikkeella:
kyllä
Nollaustoiminnon tulo:
ei
Apu- ja vaihtokoskettimien lukumäärä:
0
Hiilijalanjälki:
Sonepar-arvio



