BUSSMANN - Erikoisnopea kahvasulake 550A/690V - 170M5811D 690V 550A kahva 2

Kirjaudu sisään tai luo tili tarkistaaksesi hinnan ja tehdäksesi tilauksen
Tärkeimmät tuotetiedot
Nimellisvirta - 550 A
Käyttöluokka - aR (mukana tuleva puolijohteiden suojaus)
Mitoitusjännitetaso AC - 690 V
Sulakkeen tilanilmaisu - yhdistelmäsulakkeen tilailmaisin
Eristetyt metallikorvakkeet (IMGL) - ei
Pakkaus ja ehdot
1 kpl
Vakiokäyttötuote
EAN-koodi
5027590460835
Sähkönumero
3115465
Toimittajan tuotenumero
170M5811D
Tukkuerä
1
Nimellisvirta:
550 A
Käyttöluokka:
aR (mukana tuleva puolijohteiden suojaus)
Mitoitusjännitetaso AC:
690 V
Sulakkeen tilanilmaisu:
yhdistelmäsulakkeen tilailmaisin
Eristetyt metallikorvakkeet (IMGL):
ei
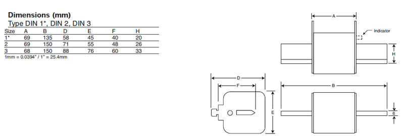
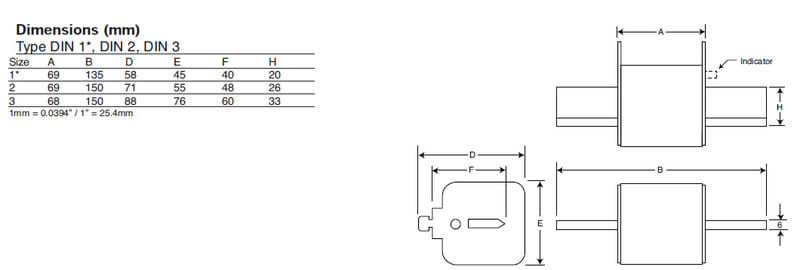
Kokoluokka IEC 60269 mukaan:
NH2
Nimelliskytkentäkapasiteetti AC:
200 kA





