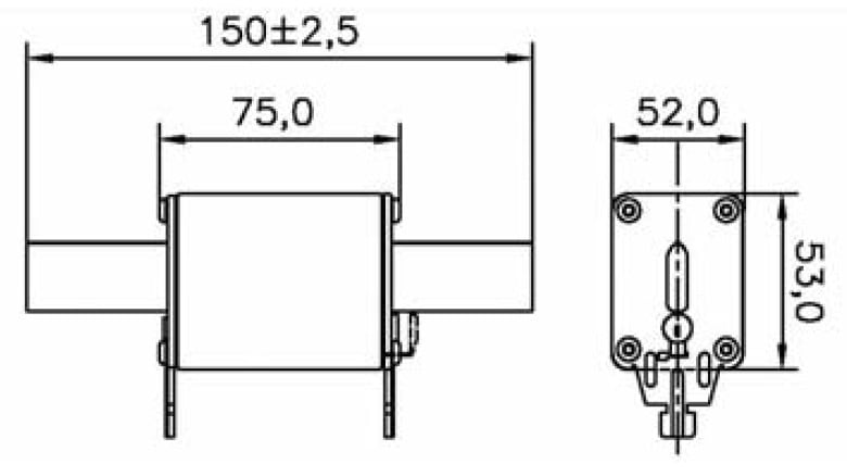
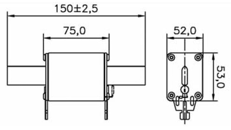
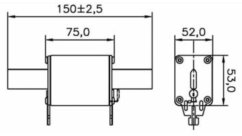
BUSSMANN - Kahvasulake 35A/500VAC - 35NHG02B 500VAC gG-gL 35A 02

Kirjaudu sisään tai luo tili tarkistaaksesi hinnan ja tehdäksesi tilauksen
Tärkeimmät tuotetiedot
Nimellisvirta - 35 A
Mitoitusjännitetaso AC - 500 V
Jännitetyyppi - AC
Sulakkeen tilanilmaisu - yhdistelmäsulakkeen tilailmaisin
Eristetyt metallikorvakkeet (IMGL) - ei
Pakkaus ja ehdot
1 kpl
Vakiokäyttötuote
Tuotesarja
Bussmann
EAN-koodi
5027590196758
Sähkönumero
3115145
Toimittajan tuotenumero
35NHG02B
Tukkuerä
36
Nimellisvirta:
35 A
Mitoitusjännitetaso AC:
500 V
Jännitetyyppi:
AC
Sulakkeen tilanilmaisu:
yhdistelmäsulakkeen tilailmaisin
Eristetyt metallikorvakkeet (IMGL):
ei
Kokoluokka IEC 60269 mukaan:
NH02
Nimelliskytkentäkapasiteetti AC:
120 kA




