DELTA - Laajakaistavahvistin - 5-65/85-1218MHz 43dB/109dBuV R

Kirjaudu sisään tai luo tili tarkistaaksesi hinnan ja tehdäksesi tilauksen
Tärkeimmät tuotetiedot
Kytkentätapa - PG11-liitin
Lähtöjen lukumäärä - 2
Tulojen lukumäärä - 1
Malli / Tyyppi - jakovahvistin
VHF vahvistus - 43 dB
Pakkaus ja ehdot
1 kpl
Vakiokäyttötuote
EAN-koodi
4250248547577
Sähkönumero
7526285
Toimittajan tuotenumero
LHD43RGA65ECO
Tukkuerä
1
Kytkentätapa:
PG11-liitin
Lähtöjen lukumäärä:
2
Tulojen lukumäärä:
1
Malli / Tyyppi:
jakovahvistin
VHF vahvistus:
43 dB
Verkkolaite:
ei ole
Kaukosyötettävä:
kyllä
Taajuuskorjain:
kyllä
Tasonsäätö:
kyllä
Paluukanava:
aktiivinen/passiivinen/asetettavissa
Taajuusvaste:
5-65 MHz
Paluusuunnan vahvistus:
28.5 dB
UHF vahvistus:
43 dB
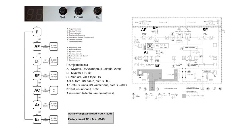
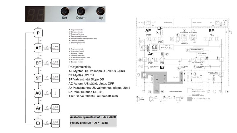
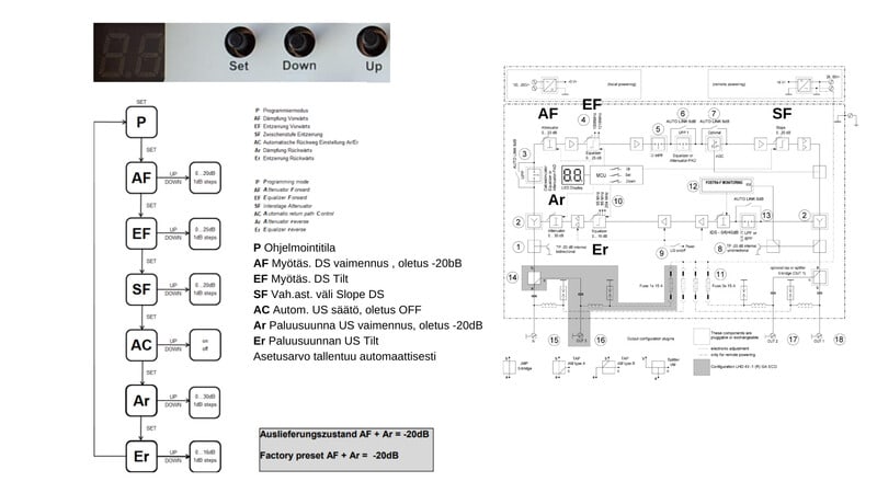
TEKNISET TIEDOT
- 1.2 GHz taajuusalue - Docsis 3.1 yhteensopiva
- Sisäänrakennettu 65 MHz paluusuunta
- Vahvistimen säätö elektronisesti ilman työkaluja, 7 segmentin näyttö
- Vahvistus 43dB
- Korkea lähtötaso – toteutettu GaAs-teknologialla
- 2 lähtöä, IN/OUT liitäntä alta tai sivusta
- Kompakti alumiinivalettu IP65 kotelointi
- Kaukosyötetty (28-65 VAC)
- PG11-liitännällä



