FRER - Virtamuuntaja - TAC033 Ø24 120/5 4VA lk0.5

Kirjaudu sisään tai luo tili tarkistaaksesi hinnan ja tehdäksesi tilauksen
Tärkeimmät tuotetiedot
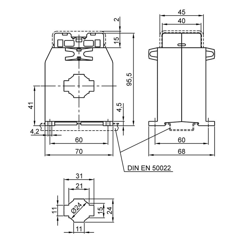
Aukon halkaisija - 24 mm
Ensiönimellisvirta - 120 A
Toisionimellisvirta - 5 A
Toisionimellisteho - 4 VA
Malli / Tyyppi - yksivaihevirtamuunnin
Pakkaus ja ehdot
1 kpl
Vakiokäyttötuote
Tuotteen hiilijalanjälki
32 kg CO₂-eq
Soneparin arvio
Soneparin arvio suuruusluokasta epävarmuuskertoimella korotettuna. Arvion tarkkuus on ± 23 kg CO₂-eq.
Soneparin vastuuvapauslauseke
Ennen kuin viittaat tuotteen hiilijalanjälkeen, lue seuraavat kohdat huolellisesti napsauttamalla näitä linkkejä:
Vastuuvapauslauseke & Metodologia
EAN-koodi
6410067850113
Sähkönumero
6785011
Toimittajan tuotenumero
TAC033120X05
Tukkuerä
1
Aukon halkaisija:
24 mm
Ensiönimellisvirta:
120 A
Toisionimellisvirta:
5 A
Toisionimellisteho:
4 VA
Malli / Tyyppi:
yksivaihevirtamuunnin
Tarkkuusluokka:
0.5
Kosketussuojalla:
ei
Pikakiinnitys:
kyllä
Kuparikiskolla:
ei
Toisioliitäntä:
ruuviliitäntä
Hiilijalanjälki:
Sonepar-arvio







