FRER - Virtamuuntaja - TAC033 Ø24 400/1 12VA lk0.5

Kirjaudu sisään tai luo tili tarkistaaksesi hinnan ja tehdäksesi tilauksen
Tärkeimmät tuotetiedot
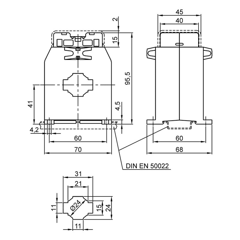
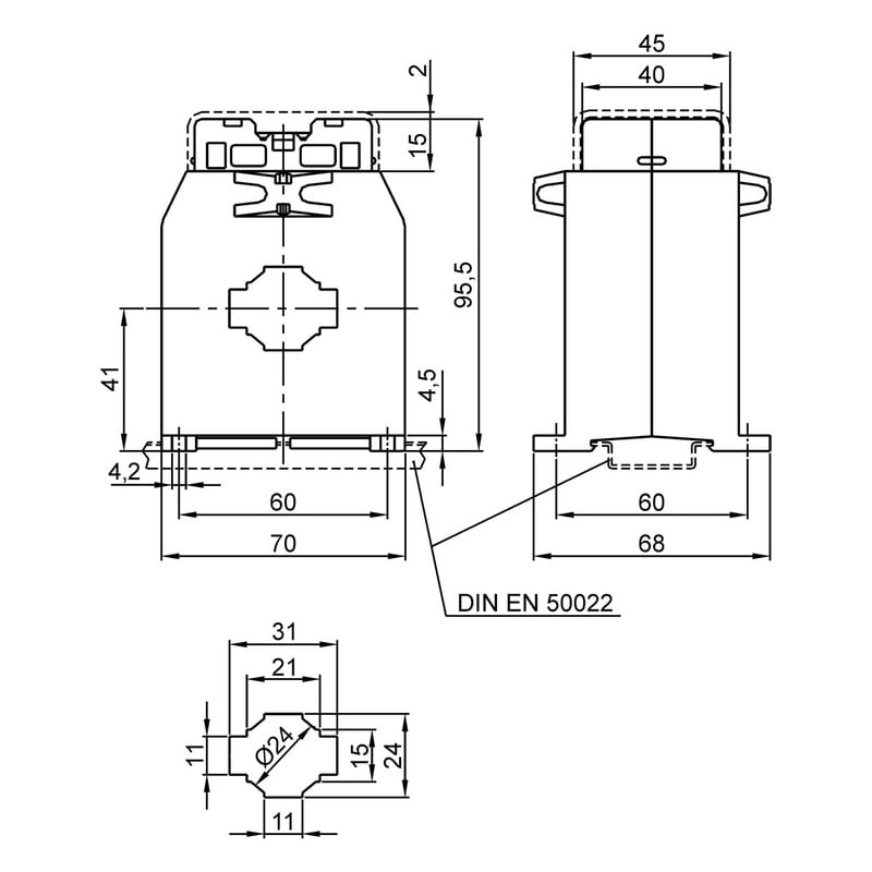
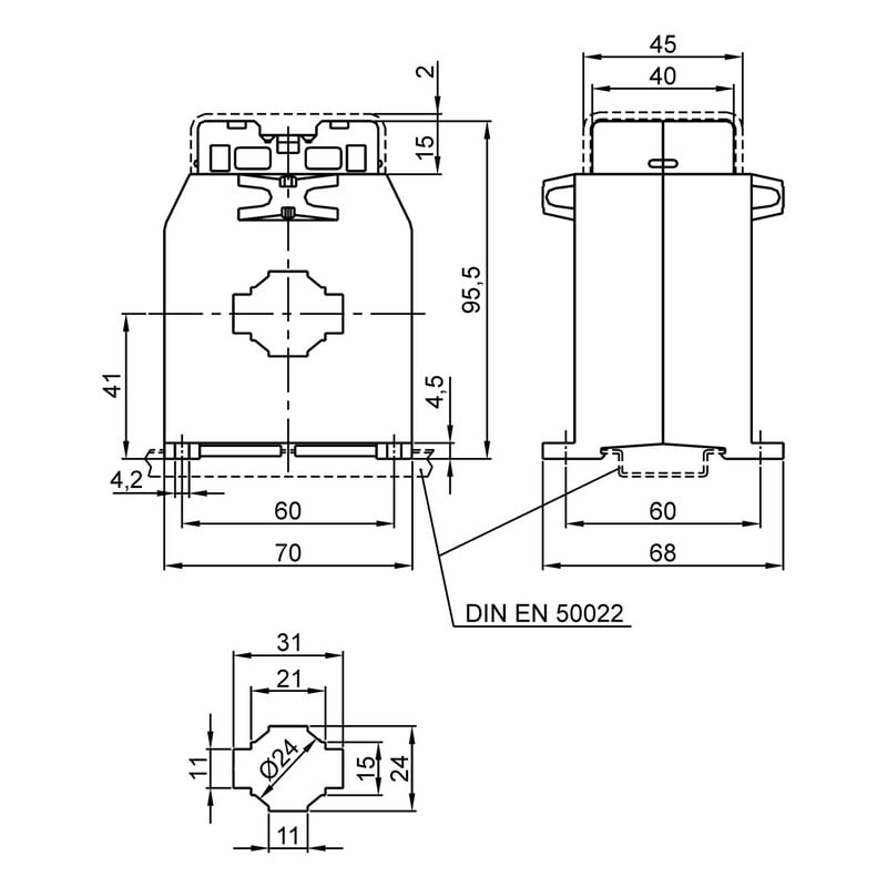
Aukon halkaisija - 24 mm
Ensiönimellisvirta - 400 A
Toisionimellisvirta - 1 A
Toisionimellisteho - 12 VA
Malli / Tyyppi - yksivaihevirtamuunnin
Pakkaus ja ehdot
1 kpl
Vakiokäyttötuote
Tuotteen hiilijalanjälki
42 kg CO₂-eq
Soneparin arvio
Soneparin arvio CO₂-e:n suuruusluokasta tuotetasolla + elinkaarilisäys. Arvion tarkkuus on ± 10 kg CO₂-eq.
Soneparin vastuuvapauslauseke
Ennen kuin viittaat tuotteen hiilijalanjälkeen, lue seuraavat kohdat huolellisesti napsauttamalla näitä linkkejä:
Vastuuvapauslauseke & Metodologia
EAN-koodi
6410067850274
Sähkönumero
6785027
Toimittajan tuotenumero
TAC033400X01
Tukkuerä
1
Aukon halkaisija:
24 mm
Ensiönimellisvirta:
400 A
Toisionimellisvirta:
1 A
Toisionimellisteho:
12 VA
Malli / Tyyppi:
yksivaihevirtamuunnin
Tarkkuusluokka:
0.5
Kosketussuojalla:
ei
Pikakiinnitys:
kyllä
Kuparikiskolla:
ei
Toisioliitäntä:
ruuviliitäntä
Hiilijalanjälki:
Sonepar-arvio







