FRER - Virtamuuntaja - TAC040 40x10 600/1 3VA lk0.2s

Kirjaudu sisään tai luo tili tarkistaaksesi hinnan ja tehdäksesi tilauksen
Tärkeimmät tuotetiedot
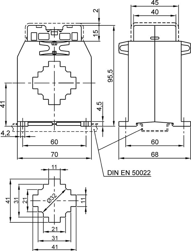
Aukon halkaisija - 32 mm
Ensiönimellisvirta - 600 A
Toisionimellisvirta - 1 A
Toisionimellisteho - 3 VA
Malli / Tyyppi - yksivaihevirtamuunnin
Pakkaus ja ehdot
1 kpl
Vakiokäyttötuote
Tuotteen hiilijalanjälki
74 kg CO₂-eq
Soneparin arvio
Soneparin arvio suuruusluokasta epävarmuuskertoimella korotettuna. Arvion tarkkuus on ± 28 kg CO₂-eq.
Soneparin vastuuvapauslauseke
Ennen kuin viittaat tuotteen hiilijalanjälkeen, lue seuraavat kohdat huolellisesti napsauttamalla näitä linkkejä:
Vastuuvapauslauseke & Metodologia
EAN-koodi
6410067853718
Sähkönumero
6785371
Toimittajan tuotenumero
TAC040600S01
Tukkuerä
1
Aukon halkaisija:
32 mm
Ensiönimellisvirta:
600 A
Toisionimellisvirta:
1 A
Toisionimellisteho:
3 VA
Malli / Tyyppi:
yksivaihevirtamuunnin
Tarkkuusluokka:
0.2S
Kosketussuojalla:
ei
Pikakiinnitys:
kyllä
Kuparikiskolla:
ei
Toisioliitäntä:
ruuviliitäntä
Hiilijalanjälki:
Sonepar-arvio






