HAGER - Energiamittari - ECR380D 3v suora 80A MODBUS

Kirjaudu sisään tai luo tili tarkistaaksesi hinnan ja tehdäksesi tilauksen
Tärkeimmät tuotetiedot
Mittarin tyyppi - elektroninen
Mitoitusvirta (In) - 80 A
Mitoitusjännite (Un) N-L - 92...276 V
Leveys (moduulipaikkojen määrä) - 4
Leveys - 72 mm
Pakkaus ja ehdot
1 kpl
Vakiokäyttötuote
Tuotteen hiilijalanjälki
71 kg CO₂-eq
Soneparin arvio
Soneparin arvio CO₂-e:n suuruusluokasta tuotetasolla + elinkaarilisäys. Arvion tarkkuus on ± 23 kg CO₂-eq.
Soneparin vastuuvapauslauseke
Ennen kuin viittaat tuotteen hiilijalanjälkeen, lue seuraavat kohdat huolellisesti napsauttamalla näitä linkkejä:
Vastuuvapauslauseke & Metodologia
EAN-koodi
3250612231478
Sähkönumero
6773559
Toimittajan tuotenumero
ECR380D
Tukkuerä
24
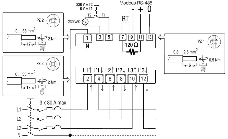
Mittarin tyyppi:
elektroninen
Mitoitusvirta (In):
80 A
Mitoitusjännite (Un) N-L:
92...276 V
Leveys (moduulipaikkojen määrä):
4
Leveys:
72 mm
Syvyys:
60 mm
Korkeus:
92 mm
Maksimivirta (Imax):
80 A
Napaisuus:
neljä johdinta
Mitoitusjännite (Un) L-L:
160...480 V
Tariffityyppi:
monitariffi
Kalibroitu:
kyllä
Tarkkuusluokka:
B
Takaisinpyörimisen esto:
kyllä
Pulssilähtö:
optinen
Tariffin ohjaus:
sisäinen/ulkoinen
Taajuus:
45...65 Hz
Mittaustyypin kuormitusprofiili:
ei
Lukituskoodi:
ei
EEC40-merkintä:
ei
Numeroiden lukumäärä (laskuri):
9
Hiilijalanjälki:
Sonepar-arvio





