HAGER - Tuloyksikkö KNX - TYBS702A 2PV T JSEKA

Kirjaudu sisään tai luo tili tarkistaaksesi hinnan ja tehdäksesi tilauksen
Tärkeimmät tuotetiedot
Asennustapa - uppoasennus
Tulojen lukumäärä - 2
Muut väyläjärjestelmät - ei ole
Syöttöjännite - 3.3...3.3 V
Jännitetyyppi (tulojännite) - DC
Pakkaus ja ehdot
1 kpl
Vakiokäyttötuote
EAN-koodi
3250610050521
Sähkönumero
2802522
Toimittajan tuotenumero
TYBS702A
Tukkuerä
1
Asennustapa:
uppoasennus
Tulojen lukumäärä:
2
Muut väyläjärjestelmät:
ei ole
Syöttöjännite:
3.3...3.3 V
Jännitetyyppi (tulojännite):
DC
Kotelointiluokka (IP):
IP30
Minimisyvyys (sisäänrakennettu laitekotelo):
40 mm
Energiankulutus:
7 W
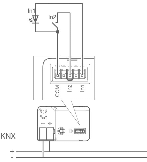
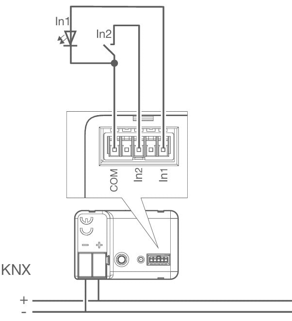
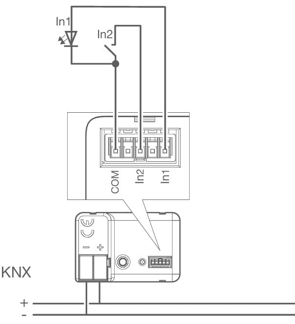
Binääritulo 2-kanavainen, KNX Secure, uppoasennus Binääritulo uppoasennus koje- tai jakorasiaan KNX Secure tuloyksikkö painikkeiden, kytkimien tai potentiaalivapaiden koskettimien liittämiseksi KNX-järjestelmään. Uppoasennettava laite integroidulla väyläliityntäyksiköllä, väyläliitäntä KNX-kytkentäliittimen kautta, ohjelmointipainike LEDillä ja valmiiksi esiasennetuin tulojen liitäntäjohtimin.Toiminnot: PÄÄLLE/POIS (lähettää komentoja painettaessa ja/tai vapautettaessa, viivästetty lähetys mahdollista), himmennys ja värilämpötila, YLÖS/ALAS (1 tai 2 painikkeen käyttö), lämpötilan, kirkkauden, himmennysarvon lähetin, kaksikanavainen tila per tulo sekä lyhyiden ja pitkien näppäinpainallusten havaitseminen ja niihin liittyvä parametrointi, lähetyskäyttäytyminen ja aikaraja voidaan asettaa, lukitustoiminto, pakotettu ohjaus, tilanteiden palauttaminen ja jaksollinen lähetys voidaan parametroida.Huomautus: Käyttöönotto mahdollista easy toolilla tai ETS:llä (versiosta 5 alkaen). Toimintojen laajuus riippuu käyttöönottotavasta.



