HIDE-A-LITE - Valoprofiili/-nauha - Profiili Art Hide Musta 2m

Kirjaudu sisään tai luo tili tarkistaaksesi hinnan ja tehdäksesi tilauksen
Tärkeimmät tuotetiedot
Lisätarvike - kyllä
Varaosa - ei
Pakkaus ja ehdot
1 kpl
Vakiokäyttötuote
Tuotesarja
EAN-koodi
7392971142364
Sähkönumero
4143766
Toimittajan tuotenumero
7507453
Tukkuerä
15
Lisätarvike:
kyllä
Varaosa:
ei
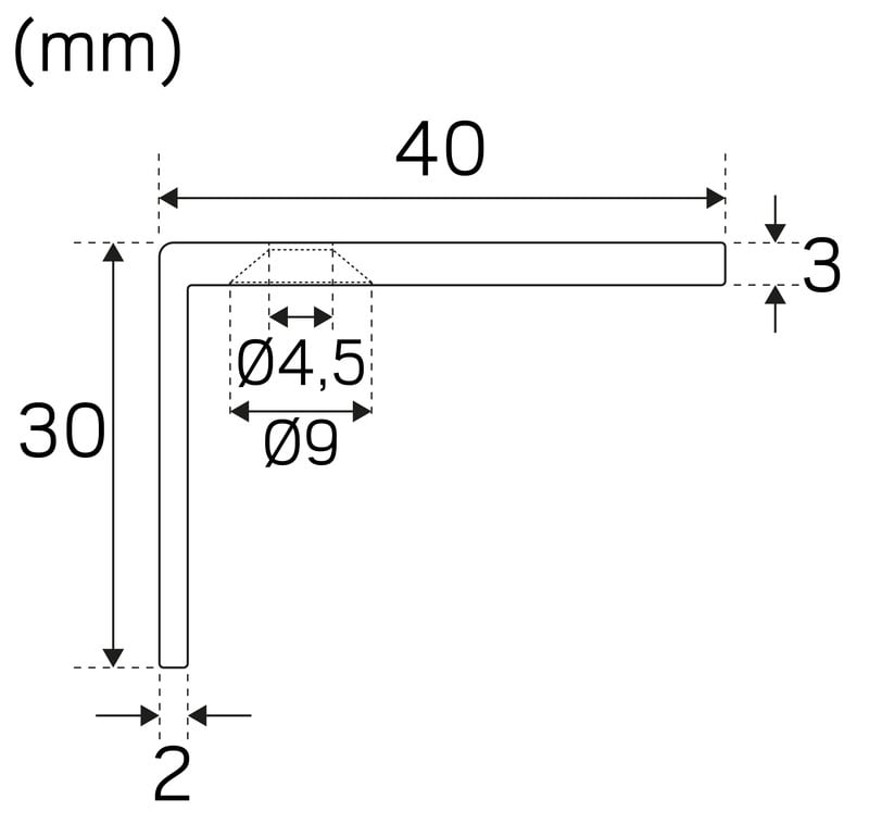
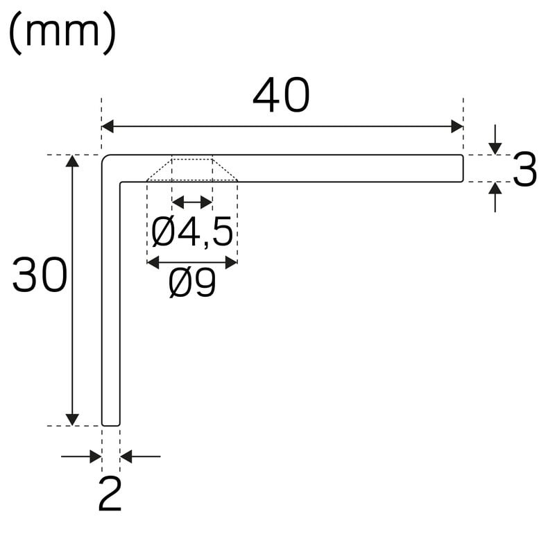
Alumiiniprofiili Art Hide 2m, mustaksi maalattu L-profiili sisä- jaulkovalaistukseen.
L-kirjaimen muotoinen alumiiniprofiili piilottaa LED-nauhat, varjostaa valoa ja saa aikaan miellyttävän epäsuoran tai täytevalaistuksen. Helpottaa LED-nauhojen asentamista ja jäähdyttää niitä. Upotetut ruuvien reiät. Sopii useimpiin LED-nauhoistamme. Soveltuu sekä sisä- että ulkoasennukseen. Vakiotoimitukset 2 metrin pituisina.
L-kirjaimen muotoinen alumiiniprofiili piilottaa LED-nauhat, varjostaa valoa ja saa aikaan miellyttävän epäsuoran tai täytevalaistuksen. Helpottaa LED-nauhojen asentamista ja jäähdyttää niitä. Upotetut ruuvien reiät. Sopii useimpiin LED-nauhoistamme. Soveltuu sekä sisä- että ulkoasennukseen. Vakiotoimitukset 2 metrin pituisina.





