LAATUANTENNI - Laajakaistavahvistin - 5-65/85-1006MHz, D3.0, kaukos.

Kirjaudu sisään tai luo tili tarkistaaksesi hinnan ja tehdäksesi tilauksen
Tärkeimmät tuotetiedot
Kytkentätapa - PG11-liitin
Lähtöjen lukumäärä - 1
Tulojen lukumäärä - 1
Malli / Tyyppi - jakovahvistin
Verkkolaite - ei ole
Pakkaus ja ehdot
1 kpl
Vakiokäyttötuote
Tuotesarja
EAN-koodi
6430078841498
Sähkönumero
7542964
Toimittajan tuotenumero
VOS 139/RA 2.0
Tukkuerä
1
Kytkentätapa:
PG11-liitin
Lähtöjen lukumäärä:
1
Tulojen lukumäärä:
1
Malli / Tyyppi:
jakovahvistin
Verkkolaite:
ei ole
Kaukosyötettävä:
kyllä
Taajuuskorjain:
kyllä
Tasonsäätö:
kyllä
Paluukanava:
aktiivinen/passiivinen/asetettavissa
Taajuusvaste:
5-65 MHz
Paluusuunnan vahvistus:
30 dB
UHF vahvistus:
40 dB
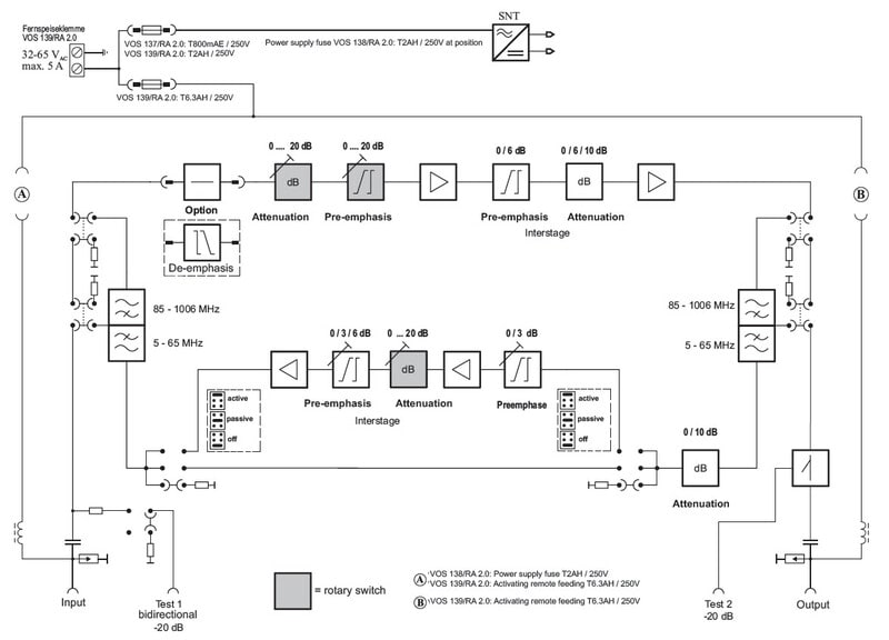
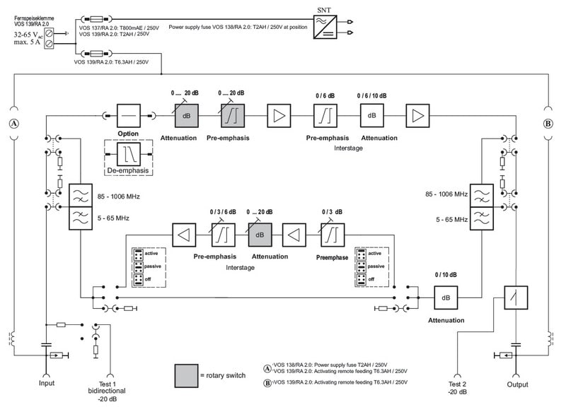
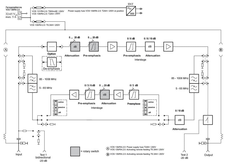
Talovahvistin Docsis 3.0 KTV verkkoihin.
VOS 139/RA 2.0 vahvistinta voidaan käyttää myös pelkästään myötösuunnan verkossa 47-1006 MHz.
Pelkkä myötösuunnan taajuusvaste 47-1006 MHz. Myötö-paluusuunnan taajuusvaste 5-65 / 85-1006 MHz.
Vahvistus 30/34/40 dB valittavissa vahvistinasteiden välisellä vaimentimella 0/6/10 dB, Interstage tilt 0/6 dB. Lähtötaso CTB/CSO 113/116 dBuV.
Myötösuunnan tulovaimennin ja tilt säätö kiertokytkimellä 0...20 dB 1 dB askelin.
Paluusuunta valittavissa 5-65 MHz, aktiivinen 20/30dB, passiivinen -2 dB tai OFF. Vaimennus kiertokytkimellä 0...20 dB 1 dB askelin. 10 dB kiinteä vaimennin.
PG11 kierteet tulossa ja lähdössä, -20 dB mittapisteet tulossa ja lähdössä F-liittimin, kaukosyötetty 32-65 VAC, 1-lähtö. Kotelointiluokka IP54 ja käyttölämpötila alue -20 ... +55 C
AC-Käyttöjännitteen syöttäminen vahvistimeen onnistuu tulo (IN) ja lähtöliittimen (OUT) kautta. Samoin jännitteen läpisyöttö IN liittimestä OUT liittimeen onnistuu. Max. läpisyöttävirta on 5 A.




