LUXOMAT - Läsnäolotunnistin pinta valonm - luxomat PD4-M-DAA4G-AP

Kirjaudu sisään tai luo tili tarkistaaksesi hinnan ja tehdäksesi tilauksen
Tärkeimmät tuotetiedot
Asennustapa - pinta-asennus
Tunnistusalueen maksimipituus - 4 m
Halogeeniton - kyllä
Väri - valkoinen
Materiaali - muovi
Pakkaus ja ehdot
1 kpl
Vakiokäyttötuote
Tuotesarja
EAN-koodi
4007529927432
Sähkönumero
2603225
Toimittajan tuotenumero
92743
Tukkuerä
10
Asennustapa:
pinta-asennus
Tunnistusalueen maksimipituus:
4 m
Halogeeniton:
kyllä
Väri:
valkoinen
Materiaali:
muovi
Jännitetyyppi:
AC/DC
Malli / Tyyppi:
läsnäolotunnistin
Vakiovalosäätö:
kyllä
HVAC-ohjaus:
kyllä
Aliryömintäsuojaus:
kyllä
Ketjutettava:
kyllä
Valoisuuden raja-arvo säädettävissä:
kyllä
Optimaalinen asennuskorkeus:
2.5 m
Tunnistusalueen maksimileveys:
3.2 m
Havainnointialueen halkaisija:
24 m
Kaukokäyttö:
kyllä
Kauko-ohjaus:
kyllä
Materiaalin laatu:
muu
Pinnan suojaus:
käsittelemätön
Pintamateriaali:
matta
Kotelointiluokka (IP):
IP20
Taajuus:
50...60 Hz
Tunnistussektoreiden määrä:
4
Käyttölämpötila:
-25...50 °C
Liiketunnistimen/läsnäolotunnistimen teknologia:
passiivinen infrapuna
Tuotekuvaus
BEG Luxomatin uutuustunnistimella PD4-M-DAA4G voidaan toteuttaa helposti ja kustannustehokkaasti erittäin monipuolinen valaistuksen ohjaus esimerkiksi luokkatiloihin, kokoustiloihin ja isoihin toimistohuoneisiin.
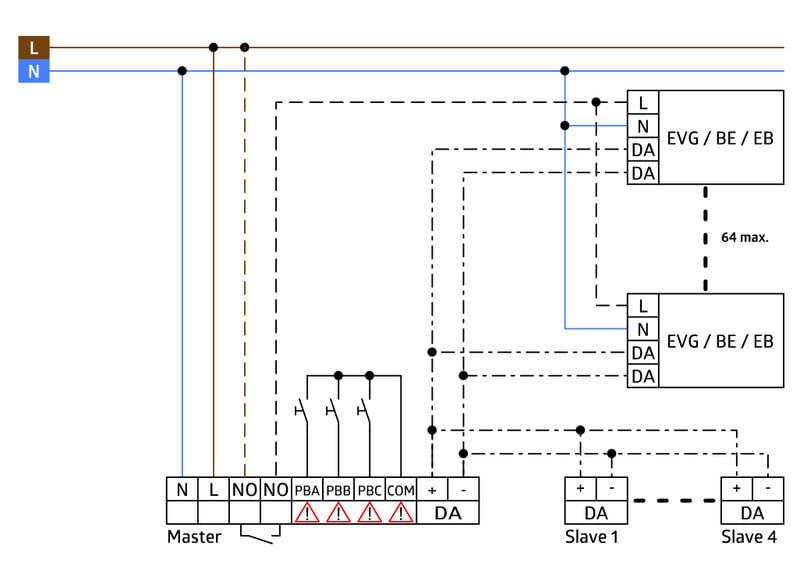
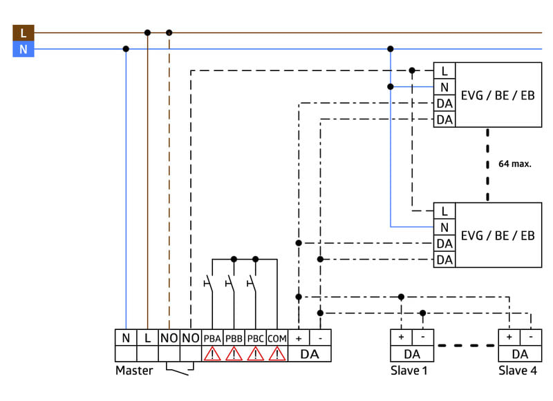
Tunnistimessa on osoitteellinen DALI-ohjaus, jolloin tilan valaisimet voidaan johdottaa yhdellä DALI-kaapelilla. Valaistusryhmät ohjelmoidaan tunnistimella jopa neljään eri valaistusalueeseen. A-päävalaistukselle jossa päävaloa vakiovalosäädetään kolmen DALI ryhmän avulla ja offset säädöllä. Lisäksi B-valaistusryhmä jossa ohjataan erillistä DALI ryhmää vain läsnäolotiedon mukaan (ei vakiovalosäädetä).
Erillinen relekärki, jota voidaan ohjelmoida eri toiminnoille, esim. DALI valaisimien jännitteen katkaisuun jolla säästetään DALI valaisimen lepovirtakulutusta jos tilassa ei ole ketään, HVAC ilmastoinnin ohjaukseen tai tauluvalon ohjaukseen.
Tunnistimen valvonta-alue on 360° valvonta-alueen halkaisija istuttaessa 6,4 m, sivusuunnassa kuljettaessa 24 m sekä tunnistinta kohti kuljettaessa 8 m. Tunnistimen valvonta-aluetta voi laajentaa PD4-S-DAA4G orjatunnistimilla.
Tunnistimeen on mahdollista kolme eri painonappia (valaistusryhmä A ja B – on/himmennä/off, relekärki – on/off) valaistuksen manuaaliseen ohjaukseen.
Tunnistimessa on sisäänrakennettu DALI-teholähde, joka kykenee ohjaamaan 64 DALI elektronista liitäntälaitetta (ECG) automaattisesti.
Tunnistimen asennus ja käyttöönotto on yksinkertaista, eikä vaadi pc-ohjelmointityökaluja. Valaisimet ryhmitetään helposti älypuhelinapplikaatiolla, joka soveltuu uusimpiin Android tai iPhone puhelimiin ja IR-RC –adapterilla.
Moneen muuhun markkinoilla olevaan ohjausjärjestelmään verrattuna tässä tunnistimessa on kaikki tarpeelliset toiminnot integroitu yhteen tuotteeseen. Tämän ansiosta tunnistin on lyömätön valinta niin ominaisuuksiltaan kuin kustannustehokkuudeltaankin.






