MEKA - Asennuslevy valkea - RDP-40 M

Kirjaudu sisään tai luo tili tarkistaaksesi hinnan ja tehdäksesi tilauksen
Tärkeimmät tuotetiedot
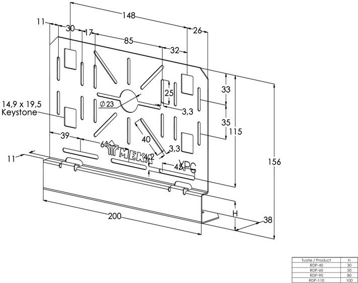
Levyn leveys - 156 mm
Levyn korkeus - 200 mm
Malli / Tyyppi - pystysuora
Kiinnitystapa - puristusasennus
Materiaali - teräs
Pakkaus ja ehdot
1 kpl
Vakiokäyttötuote
Tuotesarja
Levyn leveys:
156 mm
Levyn korkeus:
200 mm
Malli / Tyyppi:
pystysuora
Kiinnitystapa:
puristusasennus
Materiaali:
teräs
Pinnan suojaus:
kuumasinkitty (jatkuva) ja pinnoitettu
Ruostumaton teräs, peitattu:
ei
Materiaalin laatu:
muu
RAL-numero:
9010
Väri:
valkoinen
Asennuslevy, maalattu Asennuslevyllä RDP asennetaan jakorasiat ja asennuskalusteet levyhyllyihin KRA ja KRB sekä valaisinkiskoihin MEK 70 S, MEK 70 K, MEK 70, MEK 110, KRV ja AluMEK.





