MEKA - Kulmakappale säädettävä valk. - SRS-600M

Kirjaudu sisään tai luo tili tarkistaaksesi hinnan ja tehdäksesi tilauksen
Tärkeimmät tuotetiedot
Suunnanmuutos - vaakasuuntainen
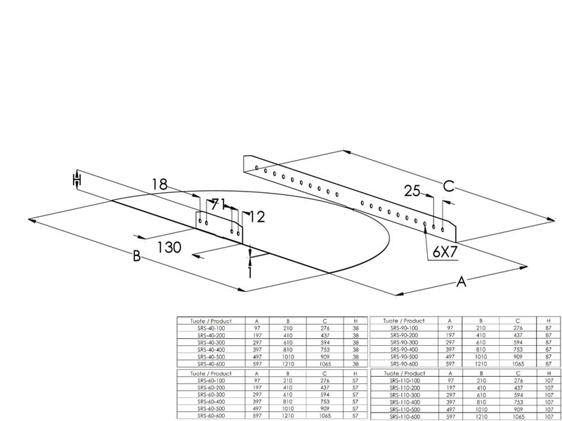
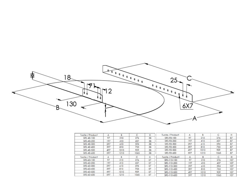
Levyhyllyn korkeus - 40 mm
Levyhyllyn leveys - 600 mm
Kulma - säädettävissä
Materiaali - teräs
Pakkaus ja ehdot
1 kpl
Vakiokäyttötuote
Tuotesarja
Levyhylly
Katso kaikki tämän sarjan tuotteetEAN-koodi
6438377010027
Sähkönumero
1431346
Toimittajan tuotenumero
SRS-40-600 M
Tukkuerä
2
Suunnanmuutos:
vaakasuuntainen
Levyhyllyn korkeus:
40 mm
Levyhyllyn leveys:
600 mm
Kulma:
säädettävissä
Materiaali:
teräs
Kansikappaleella:
ei
Sisäsäde:
0 mm
Väri:
valkoinen
Kaaren muoto:
muu
Pinnan suojaus:
kuumasinkitty (jatkuva) ja pinnoitettu
Sivuseinän perforointi:
ei
Materiaalin paksuus:
1 mm
Kiinnitysreiät pohjassa:
ei
Soveltuu piirin jatkuvuuden säilymiseen:
ei
Malli / Tyyppi:
integroitu liitososa
NATO-kiinnitysreiät:
ei
Ruostumaton teräs, peitattu:
ei
Materiaalin laatu:
muu
RAL-numero:
9010





