THEBEN - Termostaatti - RAM 748 S

Kirjaudu sisään tai luo tili tarkistaaksesi hinnan ja tehdäksesi tilauksen
Tärkeimmät tuotetiedot
Väyläjärjestelmä KNX - kyllä
Asennustapa - DIN-kiskosovitin
Portaattomasti säädettävä - kyllä
Toimisuureen säätö - kyllä
Väyläjärjestelmä KNX radio - ei
Pakkaus ja ehdot
1 kpl
Vakiokäyttötuote
Tuotesarja
EAN-koodi
4003468492000
Sähkönumero
2607782
Toimittajan tuotenumero
7480300
Tukkuerä
1
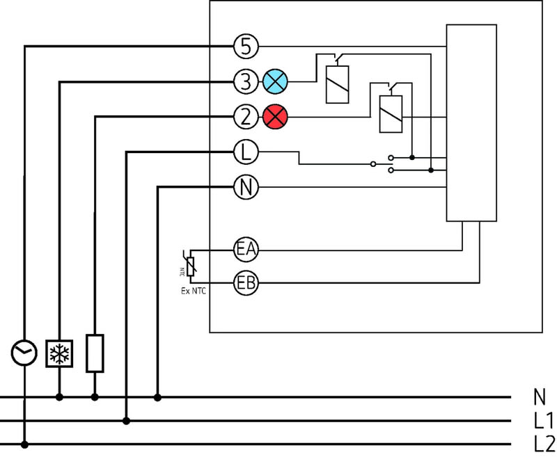
Väyläjärjestelmä KNX:
kyllä
Asennustapa:
DIN-kiskosovitin
Portaattomasti säädettävä:
kyllä
Toimisuureen säätö:
kyllä
Väyläjärjestelmä KNX radio:
ei
Väyläjärjestelmä radiotaajuus:
ei
Väyläjärjestelmä LON:
ei
Väyläjärjestelmä Powernet:
ei
Kaksisuuntainen radiotaajuus:
ei
Leveys (moduulipaikkojen määrä):
4
Sisältää väyläliitynnän:
kyllä
Irroitettava väylämoduuli:
ei
Venttiilisuojaustoiminto:
kyllä
Manuaalinen kytkin:
kyllä
Digitaalitulojen lukumäärä:
3
Enimmäiskytkentävirta (resistiiviseen kuormaan):
16 A
Lähtöjen lukumäärä:
5
Enimmäislähtövirta:
16 A
Kytkentäjännite:
24...230 V
Kotelointiluokka (IP):
IP20





