TRAFAG - Rajoitintermostaatti - IS 230SR +20...+230C IP65

Kirjaudu sisään tai luo tili tarkistaaksesi hinnan ja tehdäksesi tilauksen
Tärkeimmät tuotetiedot
Asennustapa - pinta-asennus
Teholähteen tyyppi - ei ole
Kosketinkuorma max. - 15 A
Väri - antrasiitti
Käyttö - väännin
Pakkaus ja ehdot
1 kpl
Vakiokäyttötuote
EAN-koodi
6410035392485
Sähkönumero
2634070
Toimittajan tuotenumero
124242
Tukkuerä
1
Asennustapa:
pinta-asennus
Teholähteen tyyppi:
ei ole
Kosketinkuorma max.:
15 A
Väri:
antrasiitti
Käyttö:
väännin
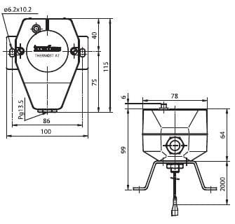
Korkeus:
115 mm
Leveys:
78 mm
Syvyys:
99 mm
Malli / Tyyppi:
on/off
Vastaanotin:
ei
Ulkoinen anturi:
ei
Poikkeama-arvo:
6...6 K
Sisältää näytön:
ei
Lämpötila luettavissa:
ei
Säätötapa:
muu
Ilmaisimen / anturin tyyppi:
muu
Kotelointiluokka (IP):
IP54
Lämmitinlähtöjen määrä:
1
Terminen takaisinkytkentä:
ei ole
Ääni-indikaattori:
ei
Rajähdyssuojattu:
ei
Talousvesipiiri:
kyllä
Ylilämpörajoitin IS...R Kapillaarilla, palautuspainikkeella, IP65Kapillaariputken pituus 2 m
Tuntoelimen Ø 7 mm W1.4435/AISI 316 L AC 400 V 15 (3) A
DC 24 V 6 (2) A
DC 220 V 0,2 (0,02) A Kompensoitu ympäristön lämpötilamuutoksille
-40… 85 °C



