VOHEK - Työmaan pääkeskus Fe - TPK 160C10 160A IP44 FE/AL

Kirjaudu sisään tai luo tili tarkistaaksesi hinnan ja tehdäksesi tilauksen
Vaihtoehdot
Nimellisvirta:
160 AVoimapistorasioiden (CEE) määrä - 16 A / 400 V / 5-napainen:
2CEE-pistorasioiden 32 A / 400 V / 5-napainen määrä:
2Tärkeimmät tuotetiedot
Malli / Tyyppi - työmaakeskus
Nimellisvirta - 160 A
Mittariristikkokenttien määrä - 1
Kotelointiluokka (IP) - IP44
Mitoitusjännite - 400 V
Pakkaus ja ehdot
1 kpl
Vakiokäyttötuote
Tuotesarja
TEHO
EAN-koodi
6410034344300
Sähkönumero
3434430
Toimittajan tuotenumero
TEHO - TPK 160C10
Tukkuerä
1
Malli / Tyyppi:
työmaakeskus
Nimellisvirta:
160 A
Mittariristikkokenttien määrä:
1
Kotelointiluokka (IP):
IP44
Mitoitusjännite:
400 V
Leveys:
1400 mm
Korkeus:
1700 mm
Voimapistorasioiden (CEE) määrä - 16 A / 400 V / 5-napainen:
2
CEE-pistorasioiden 16 A / 24 V / 2-napainen määrä:
0
CEE-pistorasioiden 16 A / 230 V / 2-napainen + maadoitus -määrä:
0
CEE-pistorasioiden 32 A / 400 V / 5-napainen määrä:
2
Voimapistorasioiden (CEE) määrä - 16 A / 400 V / 3-napainen + maadoitus:
0
CEE-pistorasioiden 63 A / 400 V / 5-napainen määrä:
2
CEE-pistorasioiden 32 A / 400 V / 4-napainen määrä:
0
Pääkytkimen nimellisvirta:
160 A
Kotelon/suojuksen materiaali:
teräs
Suojamaadoitettujen pistorasioiden määrä (CEE 7/3, tyyppi F):
6
Pääkytkin:
muu
Pääkytkimen napojen määrä:
3
Johdonsuojakatkaisijoiden määrä:
10
Vikavirran tyyppi:
A
Vikavirtasuojakytkinten 10 mA määrä:
0
Vikavirtasuojakytkinten 30 mA määrä:
4
Vikavirtasuojakytkinten 300 mA määrä:
4
Syvyys:
700 mm
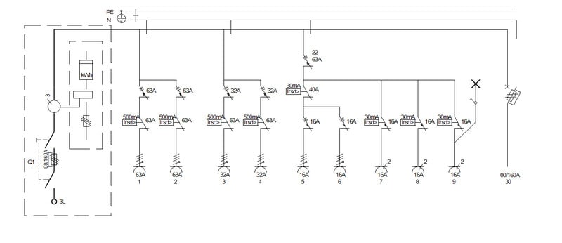
TEHO työmaan pääkeskus TPK 160C10
Valmistettu alumiinista ja sinkitystä teräksestä.
Tukeva rakenne – kestää työmaaolosuhteet.
Keskuksen mitoitusvirta InA 160A
Keskuksen mitoitusjännite Un 400V (50Hz)
Mitoituseristysjännite Ui=Un
Lyhytaikainen mitoituskestovirta Icw 10kA 1s
Kiskosto 250A
Tasoituskerroin 0,7
Kotelointiluokka IP44
Suojausluokka I (suojamaadoitus)
Jakelujärjestelmä TN-C-S
EMC käyttöympäristö A ja B
Suojakatkaisijat C-käyrä
Vikavirtasuoja A-tyyppi
Mitat (KxLxS) 1700x1200x700mm
Paino n.110kg
Virtamuuntajat 150/5A lk0,2s 1VA
Tilavaraus sähköenergian mittauslaitteelle.
16A pistorasioilla 30mA A-tyypin vikavirtasuojaus ja
muilla pistorasioilla 500mA.
Suojaovi lukittavissa riippulukolla.
VOHEK - työmaakeskukset on tyyppitestannut ja sertifioinut
eurooppalaisen standardin EN 61439-4 mukaan SGS Fimko Oy.









