WAGO - WAGO 857-359 Välirele - 24-230 VAC/DC, 1 NO/1NC, 6 A

Kirjaudu sisään tai luo tili tarkistaaksesi hinnan ja tehdäksesi tilauksen
Vaihtoehdot
Ohjauksen mitoitussyöttöjännite DC:
24...230 VTärkeimmät tuotetiedot
Sähköisen liitännän tyyppi - jousiliitäntä
Ohjauksen mitoitussyöttöjännite DC - 24...230 V
Ohjausjännitteen tyyppi - AC/DC
Vaihtokoskettimien lukumäärä - 1
Täydellinen, asennusalustalla - kyllä
Pakkaus ja ehdot
1 kpl
Vakiokäyttötuote
Tuotteen hiilijalanjälki
9 kg CO₂-eq
Soneparin arvio
Soneparin arvio suuruusluokasta epävarmuuskertoimella korotettuna. Arvion tarkkuus on ± 5 kg CO₂-eq.
Soneparin vastuuvapauslauseke
Ennen kuin viittaat tuotteen hiilijalanjälkeen, lue seuraavat kohdat huolellisesti napsauttamalla näitä linkkejä:
Vastuuvapauslauseke & Metodologia
Tuotesarja
857-sarja
Katso kaikki tämän sarjan tuotteetEAN-koodi
4050821856689
Sähkönumero
2709509
Toimittajan tuotenumero
857-359
Tukkuerä
25
Sähköisen liitännän tyyppi:
jousiliitäntä
Ohjauksen mitoitussyöttöjännite DC:
24...230 V
Ohjausjännitteen tyyppi:
AC/DC
Vaihtokoskettimien lukumäärä:
1
Täydellinen, asennusalustalla:
kyllä
Pakko-ohjatuilla koskettimilla:
ei
Irrotettavilla kiinnikkeillä:
ei
Käytön toiminnallisuus:
monostabiili
Koskettimen tyyppi:
yksinkertainen kosketin
Käytön napaisuus:
polarisoitu
Avautuvien koskettimien lukumäärä:
0
Sulkeutuvien koskettimien lukumäärä:
0
Leveys:
6 mm
Korkeus:
81 mm
Kotelointiluokka (IP):
IP20
Syvyys:
94 mm
Hiilijalanjälki:
Sonepar-arvio
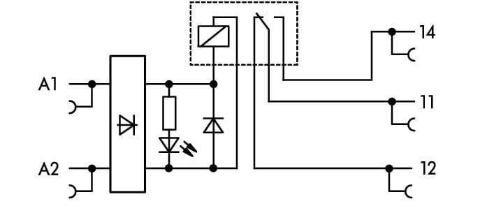
WAGO:n releet – releyksikkö sisältää releen ja kannan
WAGO:n DIN-kiskoasenteinen rele on erittäin turvallinen ja luotettava vaihtoehto kaikkiin asennuskohteisiin. Toimintavarmat jousiliitokset ovat nopeita asentaa ja huoltovapaita. Releet voidaan silloittaa 2-pinnisellä oikosulkusillalla 1923283 esimerkiksi toisiopuolen jännite ja/tai ohjauksen A2. Releet voidaan merkitä WMB-merkillä tai WAGOn liuskamerkillä.






