WEIDMÜLLER - Suojakotelo - PVN DC 3IF 3O 2MPP SW SPD1R CG

Kirjaudu sisään tai luo tili tarkistaaksesi hinnan ja tehdäksesi tilauksen
Pakkaus ja ehdot
1 kpl
Vakiokäyttötuote
EAN-koodi
4050118699883
Sähkönumero
V009424
Toimittajan tuotenumero
2683060000
Tukkuerä
1
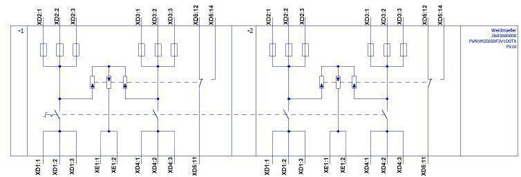
Aurinkojärjestelmän suojakotelo, 1000V, 2 MPP, 3kpl sisään/ 3 ulos perMPPT, sulake ja ylijännitesuoja 1ja 2, DC katkaisu, kaapeliläpivientiholkkitiivistein






