Etusivu

MEKA - Tikashylly - KS80-200 SP2.0 L=6000 HDG

Meka Pro Oy
KopioiKopioi

Kirjaudu sisään tai luo tili tarkistaaksesi hinnan ja tehdäksesi tilauksen

Vaihtoehdot

Tärkeimmät tuotetiedot

  • Sivuprofiilin muoto - putkimainen profiili (suljettu)

  • Pienan tyyppi - profiili jossa reiät

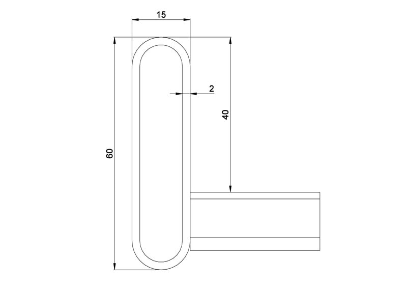
  • Korkeus - 60 mm

  • Leveys - 200 mm

  • Pituus - 6000 mm

Pakkaus ja ehdot

  • 6 metri

  • Vakiokäyttötuote

Tuotesarja

Meka

EAN-koodi

6438377021467

Sähkönumero

1449507

Toimittajan tuotenumero

KS80-200 SP2.0 L=6000

Tukkuerä

60

Sivuprofiilin muoto:

putkimainen profiili (suljettu)

Pienan tyyppi:

profiili jossa reiät

Korkeus:

60 mm

Leveys:

200 mm

Pituus:

6000 mm

Materiaali:

teräs

Pinnan suojaus:

kuumasinkitty

Pienan kiinnitys:

hitsattu

Sivuseinän perforointi:

ei

Materiaalin laatu:

muu

Poikkipuolien väli:

250 mm

Väri:

sinkki

Soveltuu piirin jatkuvuuden säilymiseen:

kyllä

Käytettävä poikkipinta:

6460 mm²

Paino:

4.93 kg/m

Työpituus:

6000 mm

Kuormitustestin tyyppi IEC 61537:

tyyppi III

Pystysuorat kaapelitikkaat:

kyllä

Mahdollinen tukiväli:

0.5...6 m

IEC 61537:n mukainen turvallinen työkuorma, kun tukiväli on 2,0 m.:

3728 Nm

IEC 61537:n mukainen turvallinen työkuorma, kun tukiväli on 2,5 m.:

2747 Nm

IEC 61537:n mukainen turvallinen työkuorma, kun tukiväli on 3,0 m.:

1785 Nm

IEC 61537:n mukainen turvallinen työkuorma, kun tukiväli on 4,0 m.:

1324 Nm

IEC 61537:n mukainen turvallinen työkuorma, kun tukiväli on 5,0 m.:

804 Nm

IEC 61537:n mukainen turvallinen työkuorma, kun tukiväli on 6,0 m.:

638 Nm

Palonkestävä E60-E90 *) Tikashylly, terästä, kuumasinkitty

Teollisuuden vahvistettu tikashylly. Vahvistettu putkiprofiili teollisuuden raskaille kuormille.