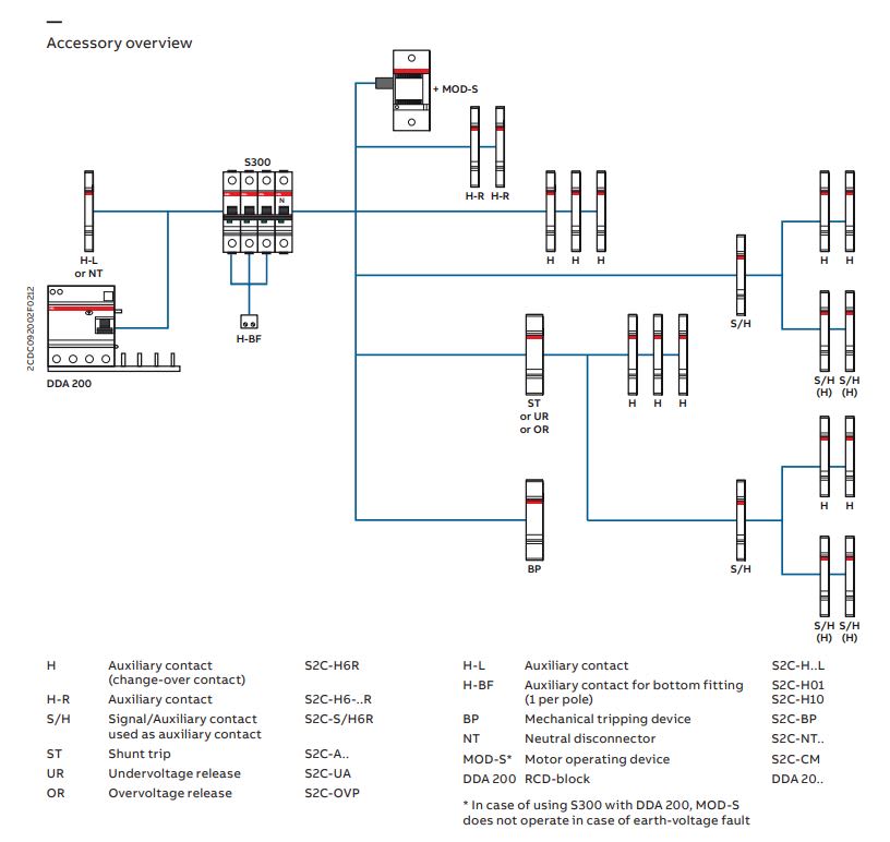
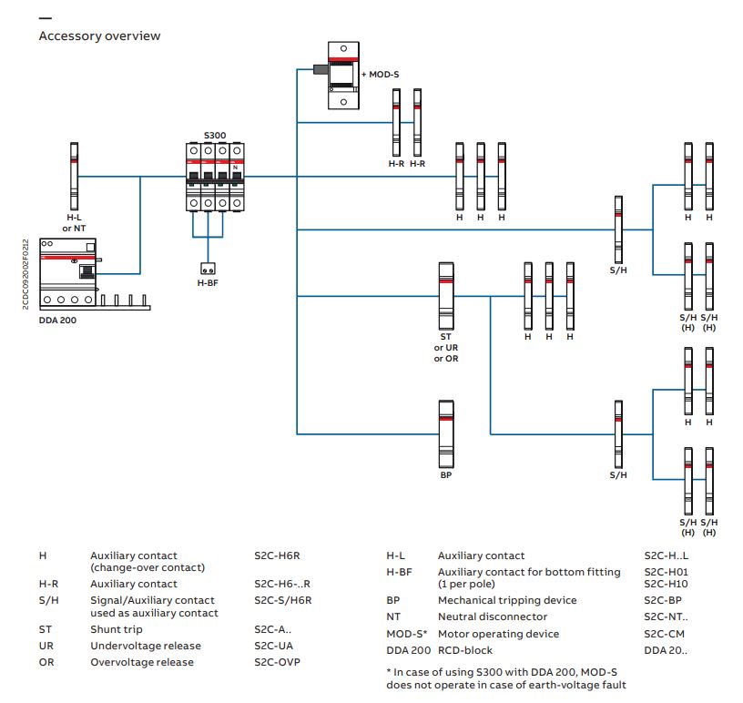
ABB - S300P Johdonsuojakatkaisia - 1-napainen C-käyrä 40A, 25kA

Kirjaudu sisään tai luo tili tarkistaaksesi hinnan ja tehdäksesi tilauksen
Vaihtoehdot
Napojen määrä yhteensä:
1Nimellisvirta:
40 ATärkeimmät tuotetiedot
Napojen määrä yhteensä - 1
Nimellisvirta - 40 A
Laukaisukäyrä - C
Suojattujen napojen määrä - 1
Nimellisjännite - 240 V
Pakkaus ja ehdot
1 kpl
Vakiokäyttötuote
Tuotteen hiilijalanjälki
26 kg CO₂-eq
Soneparin arvio
Soneparin arvio CO₂-e:n suuruusluokasta tuotetasolla + elinkaarilisäys. Arvion tarkkuus on ± 16 kg CO₂-eq.
Soneparin vastuuvapauslauseke
Ennen kuin viittaat tuotteen hiilijalanjälkeen, lue seuraavat kohdat huolellisesti napsauttamalla näitä linkkejä:
Vastuuvapauslauseke & Metodologia
Tuotesarja
EAN-koodi
4016779080194
Sähkönumero
3212231
Toimittajan tuotenumero
S301P-C40
Tukkuerä
120
Napojen määrä yhteensä:
1
Nimellisvirta:
40 A
Laukaisukäyrä:
C
Suojattujen napojen määrä:
1
Nimellisjännite:
240 V
Juontava 0-napa:
ei
Jännitetyyppi:
AC/DC
Leveys (moduulipaikkojen määrä):
1
Upotussyvyys:
69 mm
Mitoitettu eristysjännite Ui:
500 V
Mitoitusoikosulkulaukaisukyky Icu IEC 60947-2, 230 V:
25 kA
Syöksyjännitekestoisuus Uimp:
6 kV
Taajuus:
50...60 Hz
Lisäyksikkömahdollisuus:
kyllä
Uppoasennus:
ei
Ylijänniteluokka:
4
Liitettävä johdin, monisäikeinen:
0.75...25 mm²
Kotelointiluokka (IP):
IP20
Ympäristön likaantumisaste:
3
Liitettävä johdin, lanka:
0.75...35 mm²
Ympäristön lämpötila käytön aikana:
-40...70 °C
Rajähdyssuojattu:
ei
Tehohäviö:
2.9 W
Hiilijalanjälki:
Sonepar-arvio







