ABB - S300P Johdonsuojakatkaisia - 1-napainen K-käyrä 63A, 25kA

Kirjaudu sisään tai luo tili tarkistaaksesi hinnan ja tehdäksesi tilauksen
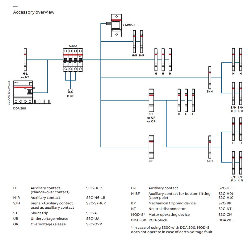
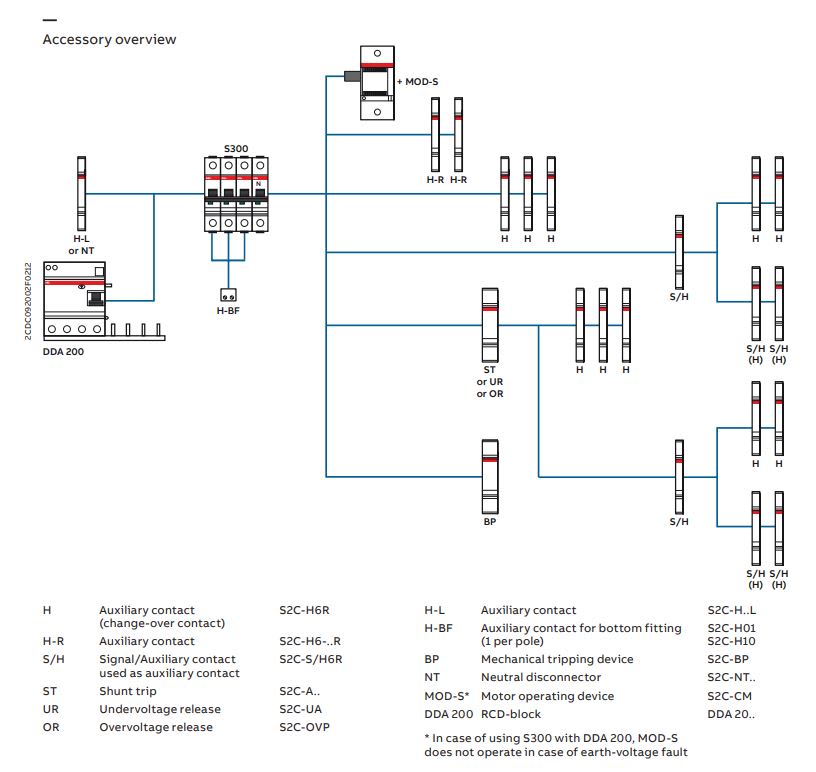
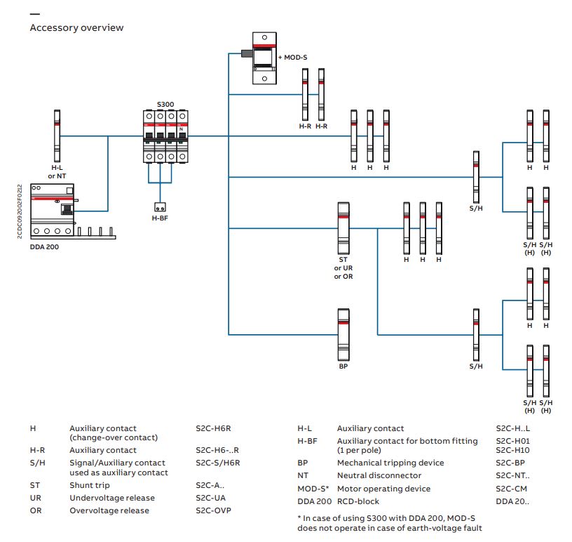
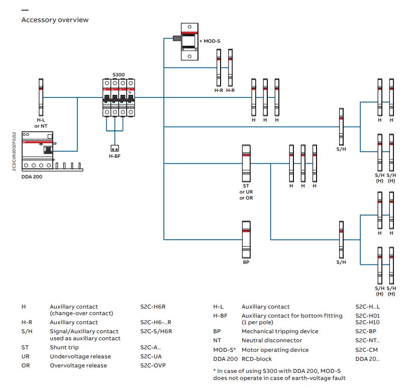
Vaihtoehdot
Napojen määrä yhteensä:
1Tärkeimmät tuotetiedot
Napojen määrä yhteensä - 1
Nimellisvirta - 63 A
Laukaisukäyrä - K
Suojattujen napojen määrä - 1
Nimellisjännite - 240 V
Pakkaus ja ehdot
1 kpl
Vakiokäyttötuote
Tuotteen hiilijalanjälki
43 kg CO₂-eq
Soneparin arvio
Soneparin arvio CO₂-e:n suuruusluokasta tuotetasolla + elinkaarilisäys. Arvion tarkkuus on ± 24 kg CO₂-eq.
Soneparin vastuuvapauslauseke
Ennen kuin viittaat tuotteen hiilijalanjälkeen, lue seuraavat kohdat huolellisesti napsauttamalla näitä linkkejä:
Vastuuvapauslauseke & Metodologia
Tuotesarja
EAN-koodi
4016779079976
Sähkönumero
3212409
Toimittajan tuotenumero
S301P-K63
Tukkuerä
120
Napojen määrä yhteensä:
1
Nimellisvirta:
63 A
Laukaisukäyrä:
K
Suojattujen napojen määrä:
1
Nimellisjännite:
240 V
Juontava 0-napa:
ei
Jännitetyyppi:
AC/DC
Leveys (moduulipaikkojen määrä):
1
Mitoitusoikosulkulaukaisukyky Icn EN 60898, 400 V:
25 kA
Upotussyvyys:
69 mm
Mitoitettu eristysjännite Ui:
500 V
Mitoitusoikosulkulaukaisukyky Icu IEC 60947-2, 230 V:
25 kA
Syöksyjännitekestoisuus Uimp:
6 kV
Taajuus:
50...60 Hz
Lisäyksikkömahdollisuus:
kyllä
Uppoasennus:
ei
Ylijänniteluokka:
4
Liitettävä johdin, monisäikeinen:
0.75...25 mm²
Kotelointiluokka (IP):
IP20
Ympäristön likaantumisaste:
3
Liitettävä johdin, lanka:
0.75...35 mm²
Ympäristön lämpötila käytön aikana:
-40...70 °C
Rajähdyssuojattu:
ei
Tehohäviö:
6 W
Hiilijalanjälki:
Sonepar-arvio







