BUSSMANN - Kahvasulake 630A/690VAC - 630NHG4B 690VAC gG-gL 630A 4

Kirjaudu sisään tai luo tili tarkistaaksesi hinnan ja tehdäksesi tilauksen
Tärkeimmät tuotetiedot
Nimellisvirta - 630 A
Mitoitusjännitetaso AC - 690 V
Jännitetyyppi - AC
Sulakkeen tilanilmaisu - yhdistelmäsulakkeen tilailmaisin
Eristetyt metallikorvakkeet (IMGL) - ei
Pakkaus ja ehdot
1 kpl
Vakiokäyttötuote
Tuotesarja
Bussmann
EAN-koodi
5027590323826
Sähkönumero
3175329
Toimittajan tuotenumero
630NHG4B-690
Tukkuerä
12
Nimellisvirta:
630 A
Mitoitusjännitetaso AC:
690 V
Jännitetyyppi:
AC
Sulakkeen tilanilmaisu:
yhdistelmäsulakkeen tilailmaisin
Eristetyt metallikorvakkeet (IMGL):
ei
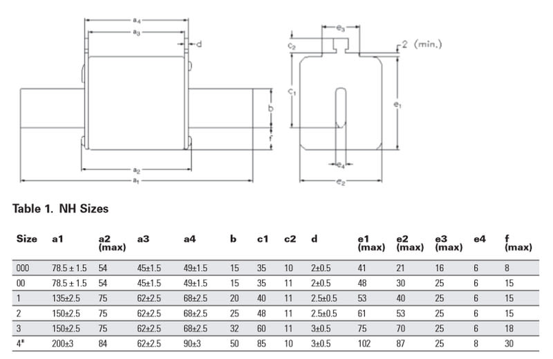
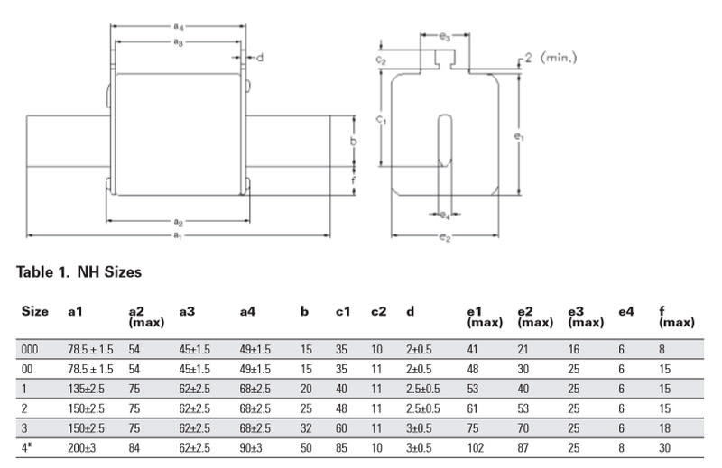
Kokoluokka IEC 60269 mukaan:
NH4
Nimelliskytkentäkapasiteetti AC:
120 kA



