DEHN - Ylijännitesuoja PJ-verkko DEHNventil - DV M TNS 255

Kirjaudu sisään tai luo tili tarkistaaksesi hinnan ja tehdäksesi tilauksen
Tärkeimmät tuotetiedot
Suojaustason jännite - 1.5 kV
Jakelujärjestelmä TN-S - kyllä
Asennustapa - DIN-kisko 35 mm
Suojaustason jännite välillä L-N (vaihejännite – nolla) - 1.5 kV
Suojataso L-PE - 1.5 kV
Pakkaus ja ehdot
1 kpl
Vakiokäyttötuote
EAN-koodi
4013364108158
Sähkönumero
5804106
Toimittajan tuotenumero
951400
Tukkuerä
1
Suojaustason jännite:
1.5 kV
Jakelujärjestelmä TN-S:
kyllä
Asennustapa:
DIN-kisko 35 mm
Suojaustason jännite välillä L-N (vaihejännite – nolla):
1.5 kV
Suojataso L-PE:
1.5 kV
Suojaustason jännite välillä N-PE:
1.5 kV
Varokealustan koko:
8 TE (rasterimitta)
Merkinanto laitteessa:
optinen
Testiluokka:
tyyppi 1 + 2
Kotelointiluokka (IP):
IP20
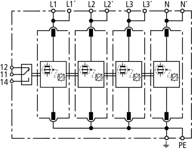
4-napainen yhdistelmäsuoja 230/400 V verkkoon
Ei sisällä "kuluvia" varistorea, erittäin kestävä ja pitkäikäinen.
Uusi korvaava tuote 954405.




