MEKA - Kaapelihylly raskas - KS80-300 SP2.0

Kirjaudu sisään tai luo tili tarkistaaksesi hinnan ja tehdäksesi tilauksen
Tärkeimmät tuotetiedot
Sivuprofiilin muoto - putkimainen profiili (suljettu)
Pienan tyyppi - profiili jossa reiät
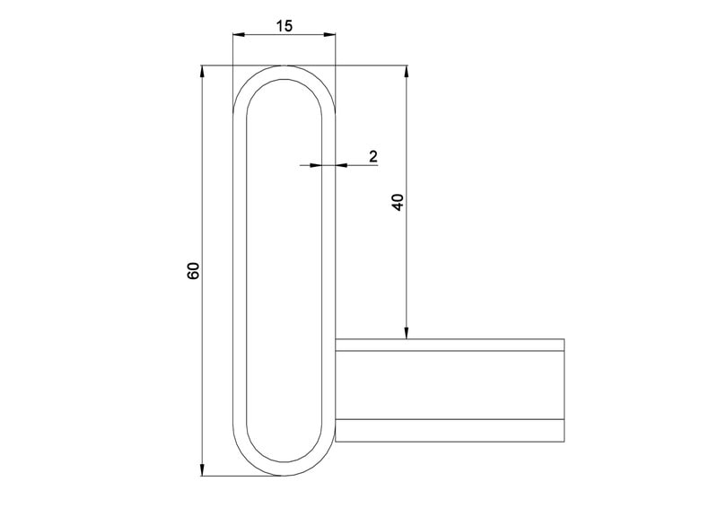
Korkeus - 60 mm
Leveys - 300 mm
Pituus - 6000 mm
Pakkaus ja ehdot
6 metri
Vakiokäyttötuote
Tuotesarja
EAN-koodi
6438377021474
Sähkönumero
1449508
Toimittajan tuotenumero
KS80-300 SP2.0 L=6000
Tukkuerä
60
Sivuprofiilin muoto:
putkimainen profiili (suljettu)
Pienan tyyppi:
profiili jossa reiät
Korkeus:
60 mm
Leveys:
300 mm
Pituus:
6000 mm
Materiaali:
teräs
Pinnan suojaus:
kuumasinkitty
Pienan kiinnitys:
hitsattu
Sivuseinän perforointi:
ei
Materiaalin laatu:
muu
Poikkipuolien väli:
250 mm
Väri:
sinkki
Soveltuu piirin jatkuvuuden säilymiseen:
kyllä
Käytettävä poikkipinta:
10260 mm²
Paino:
5.14 kg/m
Työpituus:
6000 mm
Kuormitustestin tyyppi IEC 61537:
tyyppi III
Pystysuorat kaapelitikkaat:
kyllä
Mahdollinen tukiväli:
0.5...6 m
IEC 61537:n mukainen turvallinen työkuorma, kun tukiväli on 2,0 m.:
3728 Nm
IEC 61537:n mukainen turvallinen työkuorma, kun tukiväli on 2,5 m.:
2747 Nm
IEC 61537:n mukainen turvallinen työkuorma, kun tukiväli on 3,0 m.:
1785 Nm
IEC 61537:n mukainen turvallinen työkuorma, kun tukiväli on 4,0 m.:
1324 Nm
IEC 61537:n mukainen turvallinen työkuorma, kun tukiväli on 5,0 m.:
804 Nm
IEC 61537:n mukainen turvallinen työkuorma, kun tukiväli on 6,0 m.:
638 Nm
Teollisuuden vahvistettu tikashylly. Vahvistettu putkiprofiili teollisuuden raskaille kuormille.






